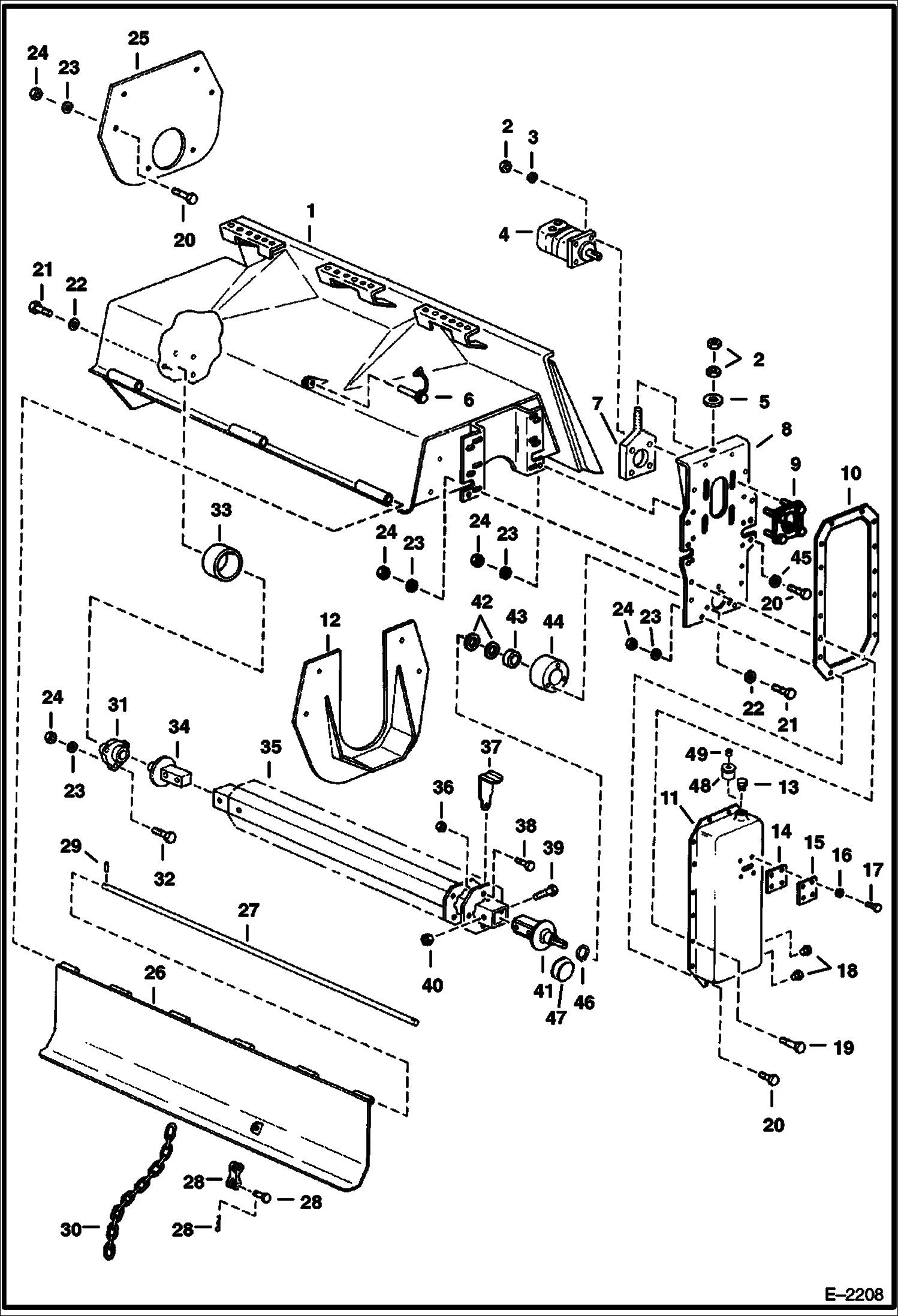
Запчасти Bobcat TILLER TILLER (Main Frame) (52 2801) (68 0547) Loader

Схема запчастей Bobcat TILLER - TILLER (Main Frame) (52 2801) (68 0547) Loader
FIT
1:1
100%

Артикул

Название

Примечание

Количество

1

6664512

MAIN FRAME 52'' (1321mm)

1

6675791

MAIN FRAME 68'' (1727mm)

2

61D8

NUT 5

3

23E8

WASHER

4

6664504

MOTOR See Illustration TILLER/ D2255 See Illustration TILLER/ D2255A

5

25E21

WASHER 5

6

6665094

CLEVIS PIN

7

6664505

PLATE chain adjustment

8

6664510

MOUNT hyd. motor

9

6664506

PLATE motor bolt

10

6664503

GASKET

11

6664509

COVER

12

6664511

LEFT SHOE

13

6664507

PLUG

14

6665095

GASKET

15

6665096

PLATE

16

23E4

WASHER

17

17C408

BOLT

18

6664508

PLUG

19

17C620

BOLT

20

17C616

BOLT 5

21

17C716

BOLT

22

23E6

WASHER

23

4E6

WASHER

24

61D6

NUT 5

25

6664516

RIGHT SHOE

26

6664514

DOOR 52'' (1321mm)

26

6669205

DOOR 68'' (1727mm)

27

6664515

DOOR HINGE 52'' (1321mm)

27

6669204

DOOR HINGE 68'' (1727mm)

28

6664535

MID-LINK

29

14J2520

PIN

30

6664513

CHAIN

31

6664492

BEARING

32

10C616

BOLT 10

33

6664491

HOUSING

34

6664493

SHAFT, TILLER RH right end

35

6664494

TUBE tine - 52'' (1321mm)

35

6669206

TUBE tine - 68'' (1727mm)

36

61D10

NUT 52'' (1321mm)

36

61D10

NUT 68'' (1727mm)

37

6664495

TINE tine - 52'' (1321mm)

37

6664495

TINE tine - 68'' (1727mm)

38

6664527

BOLT tine - 52'' (1321mm)

38

6664527

BOLT tine - 68'' (1727mm)

39

17C848

BOLT

40

59D8

NUT 5

41

SHAFT NLA - motor end - Use W/snap ring - Order 7100890 shaft & 7100777 bushing - Was 6664496 - A

41

7100890

SHAFT, DRIVE motor end - Use W/Ref. 47

42

6664497

SEAL bearing

43

6664498

BEARING

44

6664499

HOUSING, BEARING TILLER bearing

45

25E17

WASHER 5

46

21J25

SNAP RING Use W/6664496 shaft - Was 6665241 - A

47

7100777

BUSHING Use W/ 7100890 shaft

48

19F23

FITTING, HYD REDUCER Was 6677392 - A

49

6677391

RELIEF VALVE

Выбрано товаров: 57