Запчасти Bobcat TILLER TILLER (Hydraulic Drive System) (52 2801) (68 0547) Loader

Схема запчастей Bobcat TILLER - TILLER (Hydraulic Drive System) (52 2801) (68 0547) Loader
FIT
1:1
100%

Артикул

Название

Примечание

Количество

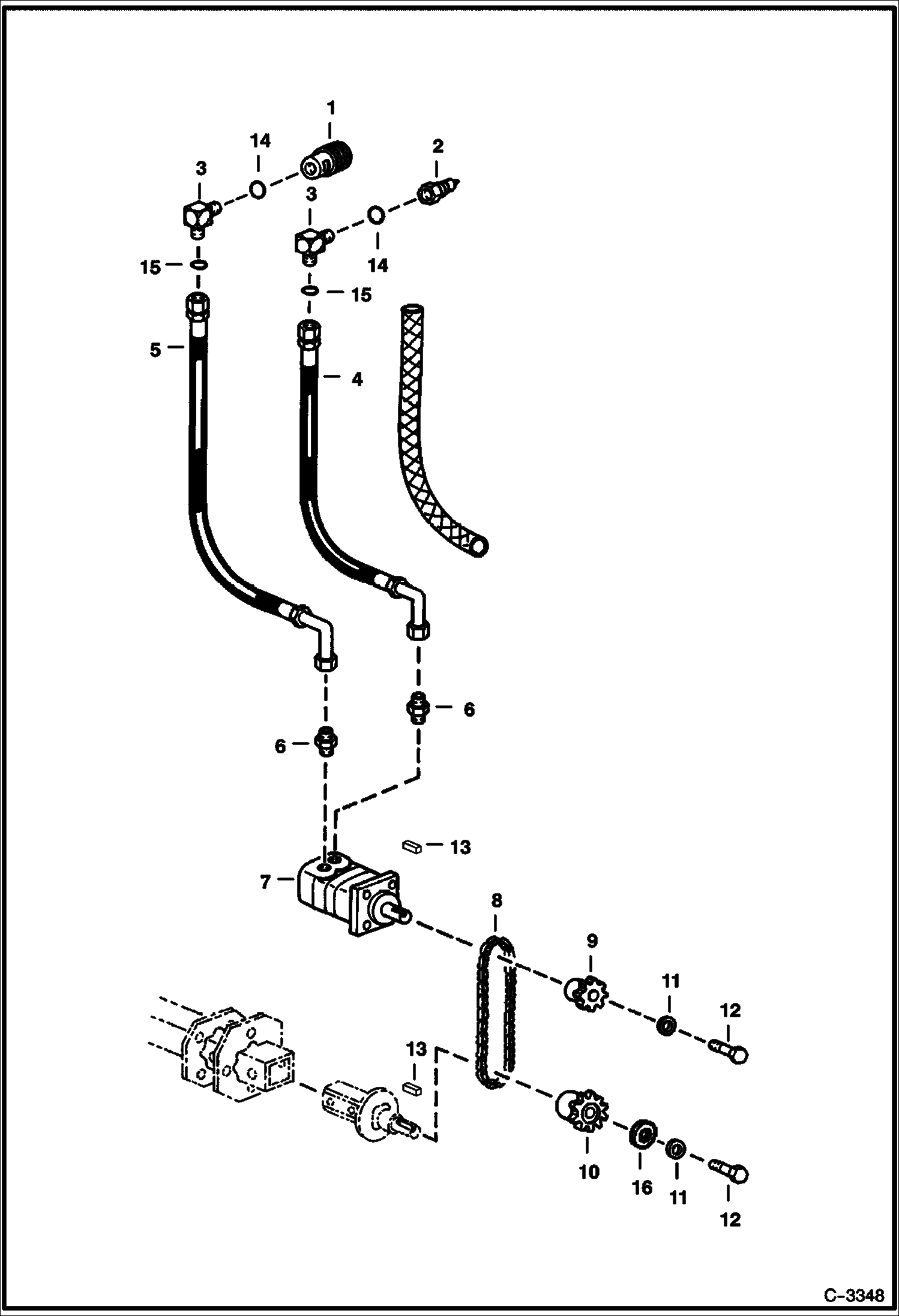
1

6598758

COUPLER, POPPET FEMALE straight - Parker

1

6672960

COUPLER, FF FEMALE straight - Faster #2FF112-34SAE-FL - Was 6672760 - A

2

6598757

COUPLER, POPPET MALE straight - Parker - 48 mm (1.9'') long

2

6674688

COUPLER, FF MALE straight - Faster #3FF112-34SAE-M - 117,3 mm (4.6'') long - Was 6667808 - A

2

6679841

SEAL Was 6672026 - A

3

6664525

ELBOW Use poppet couplers

3

17K8

FITTING flat boss face - Use flush face couplers

3

17KB1212

FITTING, HYD ELBOW tapered boss face - Use flush face couplers - Was 17KV00008B - A

4

6664543

HOSE Use poppet couplers

4

6905455

HOSE 1600 mm (63'') long - 90 degree fitting (1.063'' thread) & 1.063'' thread - Use flush face couplers

5

6664523

HOSE Use poppet couplers

5

6905454

HOSE 1473 mm (58'') long - 90 degree fitting (1.063'' thread) & 1.063'' thread - Use flush face couplers

6

6664522

ADAPTER Use poppet couplers

6

6800566

ADAPTER Use flush face couplers

7

MOTOR See Illustration TILLER/ D2255 See Illustration TILLER/ D2255A

8

6670845

DRIVE CHAIN Was 6664501 - A

8

6510171

LINK

8

6667186

OFFSET LINK

9

6664500

SPROCKET 11 tooth

10

SPROCKET NLA - 14 tooth - Order 7100862 & 7100861 - Was 6664502 - A

10

7100862

SPROCKET 14 tooth

11

4E6

WASHER

12

17C616

BOLT 5

13

7J5108

KEY SQ. 1.50'' long - Was 7J-5112 - B

13

7J5104

KEY 1.25'' long

14

79K10

O RING 10 Use with 6664525 elbow

14

79K12

O RING 10 Use with 17K000008B flat boss face coupler

14

99K12

O RING Use with 17KV00008B tapered boss face coupler

15

97K12

O'RING flared end

16

7100861

WASHER

Выбрано товаров: 30