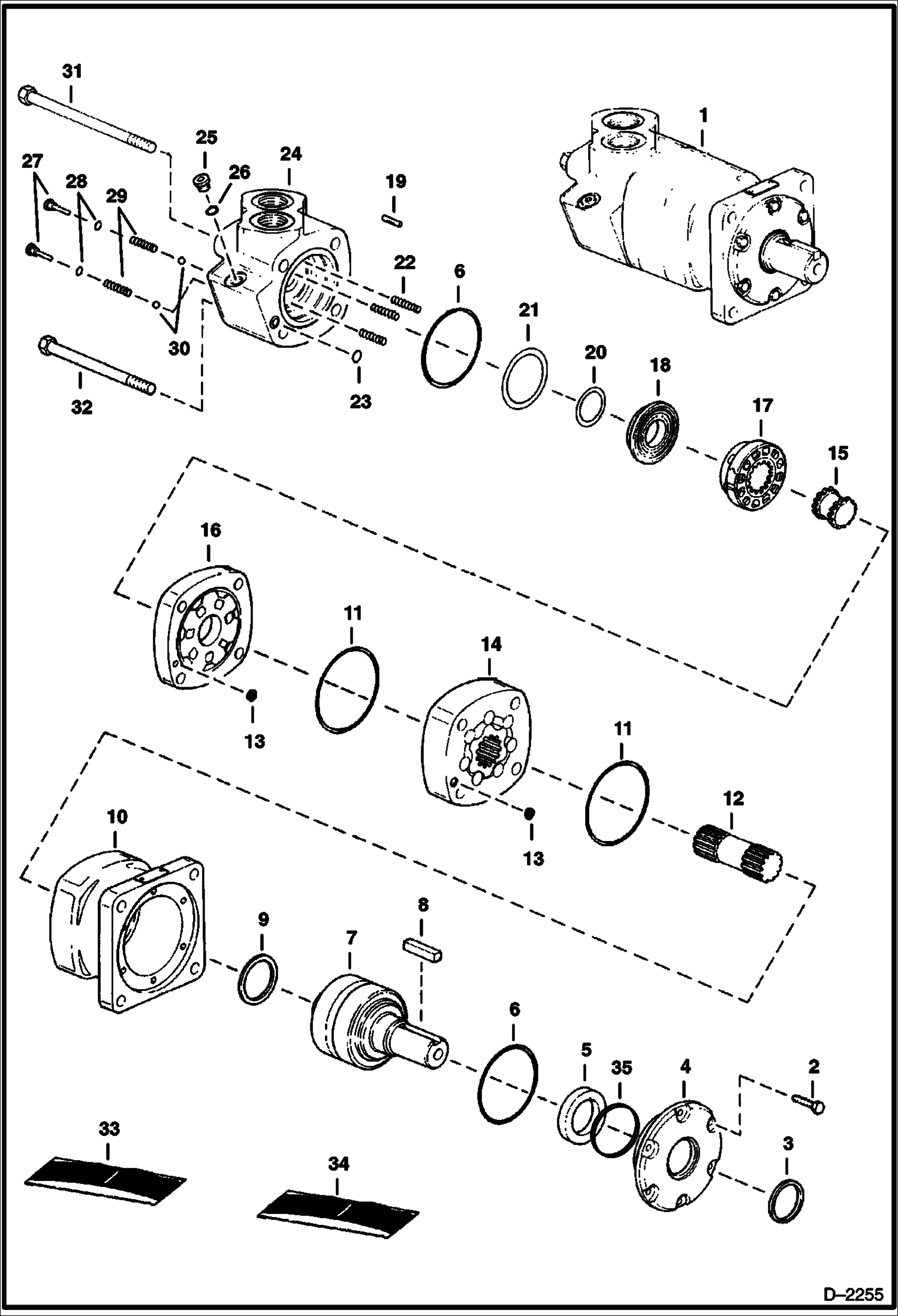
Запчасти Bobcat TILLER TILLER (Hydraulic Motor) (Eaton 112-1067-005) (52 2801) (68 0547) Loader

Схема запчастей Bobcat TILLER - TILLER (Hydraulic Motor) (Eaton 112-1067-005) (52 2801) (68 0547) Loader
FIT
1:1
100%

Артикул

Название

Примечание

Количество

1

MOTOR NLA - W/Ref. 2 - 32 - Order 6677388 - Was 6664504 - A

2

6664809

SCREW

3

6664810

SEAL

4

6664811

RETAINER

5

SEAL NLA - Order 6665556 & Ref. 35 - Was 6664812 - A

5

6665556

SEAL

6

6658756

SEAL

7

6664813

BEARING ASSY W/Shaft

8

6664814

KEY

9

6664815

SEAL, OIL

10

6664816

HOUSING

11

6513524

O'RING

12

6659489

SHAFT drive - Was 6664817 - A

13

6632272

SEAL

14

6659491

GEROLER

15

6513518

DRIVE drive

16

6661809

PLATE valve

17

6513519

VALVE

18

6664818

BALANCING RING

19

6664819

PIN balancing ring

20

6513529

SEAL inner

21

6513520

SEAL

22

6190121

SPRING

23

25K20010

O RING 10

24

6664820

HOUSING

25

1992104

PLUG W/Ref. 26

26

6664822

O-RING

27

1992107

PLUG Assy. - W/Ref. 28

28

79K8

O RING 10 Was 91F000006B - A

29

6190116

SPRING

30

10J8

BALL

31

6659488

BOLT

32

6659487

BOLT

33

6664823

SEAL KIT Rear - W/Ref. 6, 11, 13, 20, 21, 23, 26 & 28

34

6664824

SEAL KIT Shaft - W/Ref. 3, 5, 6 & 9

35

6665557

RING, BACK-UP

Выбрано товаров: 0