Запчасти Bobcat TREE FORK TREE FORK (A2TV) Loader

Схема запчастей Bobcat TREE FORK - TREE FORK (A2TV) Loader
FIT
1:1
100%

Артикул

Название

Примечание

Количество

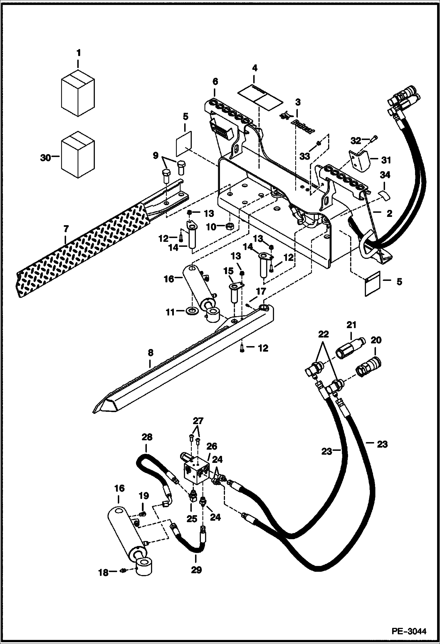
1

TREE FORK SALES #7124860 - W/Ref. 2-29

2

7123773

FRAME ASSY

3

7109473

DECAL, LOGO BOBCAT AND HEAD

4

7127318

DECAL load rating

5

6583862

DECAL, WARNING

6

6905263

STEP

7

7123966

JAW RH

8

7123967

JAW LH

9

17C1228

BOLT

10

85D12

NUT, 5

11

25E31

WASHER

12

17C516

BOLT

13

83D5

NUT 5

14

7124104

PIN

15

7124463

PIN

16

6815562

CYLINDER See Illustration TREE FORK/ PE2507

17

10H35

FITTING, GREASE 10

18

10H25

FITTING, GREASE 5

19

12H15

FITTING, GREASE 5

20

6672960

COUPLER, FF FEMALE straight

21

6674688

COUPLER, FF MALE straight

22

17KB0612

FITTING, HYD ELBOW

23

7125267

HOSE

24

15KB0406

FTG HYD S CONNECTOR

25

17KB0406

FITTING, HYD ELBOW

26

6689936

VALVE ASSY

26

6691287

RELIEF VALVE

26

6673213

KIT, SEAL For 6691287 relief valve - Was 6664032 - A

26

6691286

CHECK VALVE

26

6677150

SEAL KIT for 6691286 check valve

26

6691285

ORIFICE

27

25G512

SCREW

28

7124862

HOSE

29

7125266

HOSE

30

7130910AR

TRANSLATION KIT

30

7130910BR

TRANSLATION KIT

30

7130911AR

DECAL KIT

30

7130911BR

DECAL KIT

30

7130911JP

DECAL KIT

31

6958561

STOP

32

17C616

BOLT 5

33

83D6

NUT 5

34

6815993

DECAL, LIFT tie down

Выбрано товаров: 43