Запчасти Bobcat TREE SPADE TREE SPADE (Frame & Harnesses) (3 Blade Models) Loader

Схема запчастей Bobcat TREE SPADE - TREE SPADE (Frame & Harnesses) (3 Blade Models) Loader
FIT
1:1
100%

Артикул

Название

Примечание

Количество

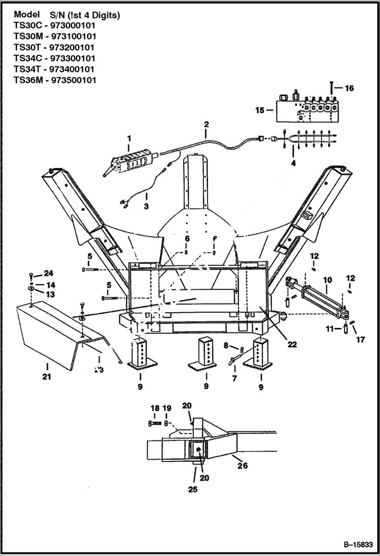
1

6675599

SWITCHBOX ASSY Includes Ref. 2

1

6678553

SWITCH Remove .06'' from each side before installing - Was 6675601 - B

2

6676548

HARNESS To switchbox - harness only - Was 6675602 - A

3

6719823

HARNESS 24'' long - power from cab harness to tree spade harness

4

6675598

HARNESS See Illustration TREE SPADE/ B15836 To valve - used with 6675554 valve

4

6726683

HARNESS See Illustration TREE SPADE/ B15837 To valve - used with 6675998 valve

5

17C1264

BOLT

6

61D12

NUT

7

6725798

PIN

8

6679876

PIN

9

6725794

SUPPORT LEG

10

6677385

CYLINDER ASSY See Illustration TREE SPADE/ B24267 gate

11

6677215

PIN

12

6676460

ADAPTER pipe

13

25E18

WASHER

14

WASHER

15

VALVE See Illustration TREE SPADE/ B15836 See Illustration TREE SPADE/ B20012 See Illustration TREE SPADE/ B20011 See Illustration TREE SPADE/ B15837 Control

16

17C672

BOLT

17

6679877

CLIP

18

17C524

BOLT

19

61D5

NUT

20

10H35

FITTING, GREASE 10 threaded

20

6687122

GREASE ZERK pound - in

21

6725792

SHIELD w/ steps

22

6725780

BOBTACH Bobtach - bolt on

23

6725791

COVER Use W/ original tree spades w/o ACD

23

6733582

COVER Use W/ 7 pin or convertible tree spades w/ ACD

24

17C620

BOLT

25

6725778

PIN gate hinge

26

6725633

FRAME, OUTER TS30C outer - TS30C

26

6725632

FRAME, OUTER TS30M outer - TS30M

26

6725630

FRAME, OUTER TS30T outer - TS30T

26

6725634

FRAME, OUTER TS34C outer - TS34C

26

6725631

FRAME, OUTER TS34T outer - TS34T

26

6725635

FRAME, OUTER TS36M outer - TS36M

Выбрано товаров: 35