Запчасти Bobcat TREE SPADE TREE SPADE (Control Valve) (3 Blade Models) (Early Serial Numbers) Loader

Схема запчастей Bobcat TREE SPADE - TREE SPADE (Control Valve) (3 Blade Models) (Early Serial Numbers) Loader
FIT
1:1
100%

Артикул

Название

Примечание

Количество

1

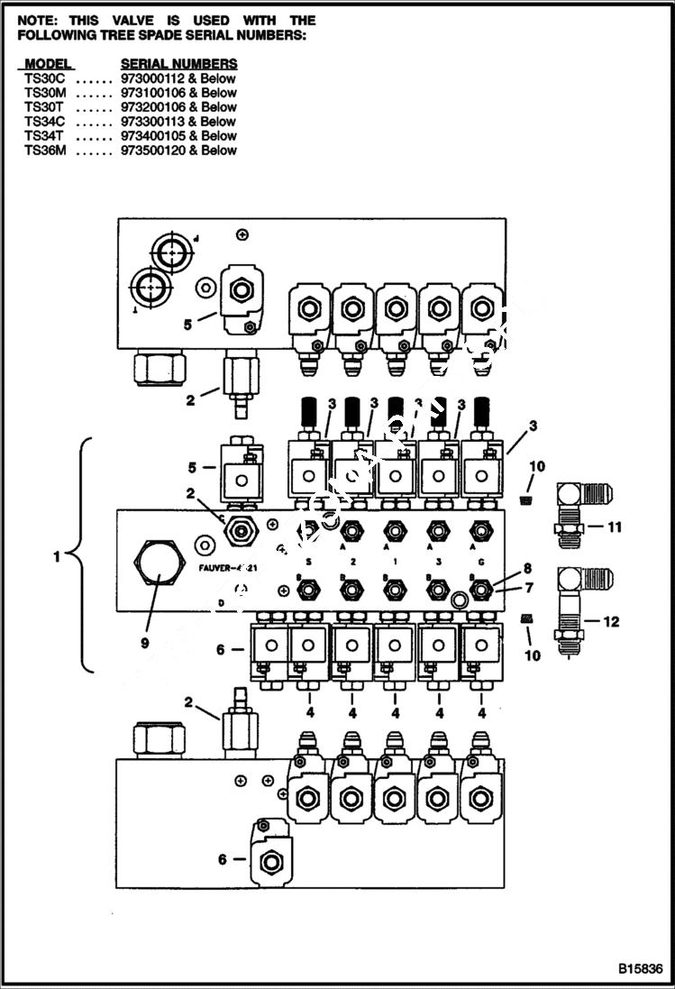
VALVE ASSY NLA - Order 6675998 valve & 6726683 harness - Was 6675554 - A

2

6676449

RELIEF VALVE

2

6676476

SEAL KIT

3

6676451

COIL

3

6676453

SPOOL

3

6676477

SEAL KIT

4

6676451

COIL

4

6676452

SPOOL

4

6676477

SEAL KIT

5

6676451

COIL

5

6676454

SPOOL

5

6676477

SEAL KIT

6

6676450

COIL

6

6676455

SPOOL

6

6676478

SEAL KIT

7

6676457

ORIFICE 0.043

8

6676458

FITTING

9

6676459

VALVE flow control

9

6676479

SEAL KIT

10

6676456

SCREEN

11

17KB0606

FITTING short - Was 17KN5 - B,D

12

6558510

ELBOW long

Выбрано товаров: 22