Запчасти Bobcat TREE SPADE TREE SPADE (Leveling Light) (3 Blade Models) Loader

Схема запчастей Bobcat TREE SPADE - TREE SPADE (Leveling Light) (3 Blade Models) Loader
FIT
1:1
100%

Артикул

Название

Примечание

Количество

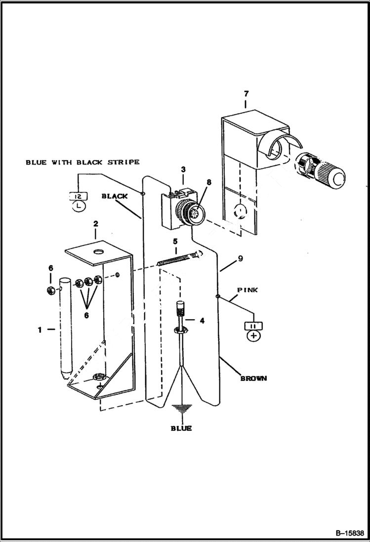
1

6725779

PIN

2

6676956

BRACKET pendulum

3

6676502

LIGHT

4

6675603

SWITCH proximity

5

17C436

BOLT

6

61D4

NUT 5

7

6725800

MOUNT light

8

6676503

BULB replacement

9

6727259

HARNES,LIGHT light

Выбрано товаров: 9