Качественные детали и логистика
Оригинальные и аналоговые запчасти с доставкой по России, Казахстану и Беларуси
©2022 PartSell ООО "Система" ИНН 2463123282 ОГРН 1212400004838
Центральный офис: г. Красноярск, Академика Киренского, д.87, пом.4
Телефон: 8 (800) 777-65-74 Email: zakaz@partsell.ru
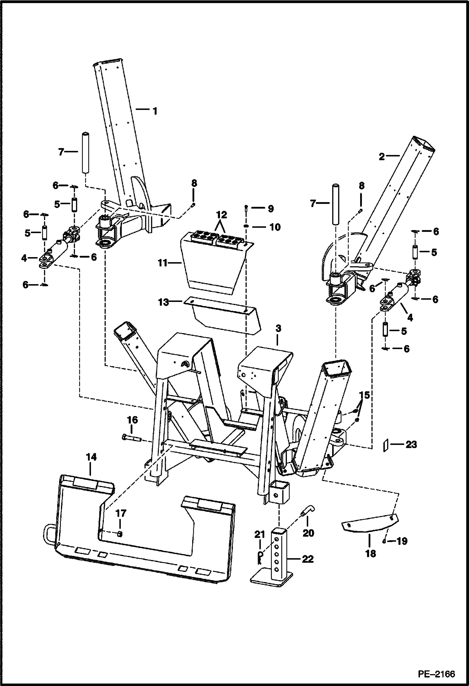
TREE SPADE (Main Frame) (4 Blade) (TS44C) (TS44M)
№
Артикул
Название
Примечание
Количество
1
6725639
FRAME ARM L.H. - TS44C
6725636
FRAME ARM L.H. - TS44M
2
6725640
FRAME ARM R.H. - TS44C
6725637
FRAME ARM R.H. - TS44M
3
MAIN FRAME NLA - TS44C - Was 6725638 - A
MAIN FRAME NLA - TS44M - Was 6725629 - A
4
6677386
CYLINDER ASSY See Illustration TREE SPADE/ B24449 GATE
5
6677215
PIN
6
6679877
CLIP
7
6725778
8
13G624
SET SCREW
9
17C620
BOLT
10
25E18
WASHER
11
6732110
COVER
12
6701943
STEP
13
6725844
SHIELD
14
6725780
BOBTACH
15
10H35
FITTING, GREASE 10
16
17C1264
17
61D12
NUT
18
6725855
SCRAPER TS44C
6725854
SCRAPER TS44M
19
17C612
BOLT 5
20
6725798
21
6679876
22
6725794
SUPPORT LEG
23
6719706
DECAL grease
Выбрано товаров: 0