Запчасти Bobcat TREE SPADE TREE SPADE (Electrical) (4 Blade) (TS44C) (TS44M) Loader

Схема запчастей Bobcat TREE SPADE - TREE SPADE (Electrical) (4 Blade) (TS44C) (TS44M) Loader
FIT
1:1
100%

Артикул

Название

Примечание

Количество

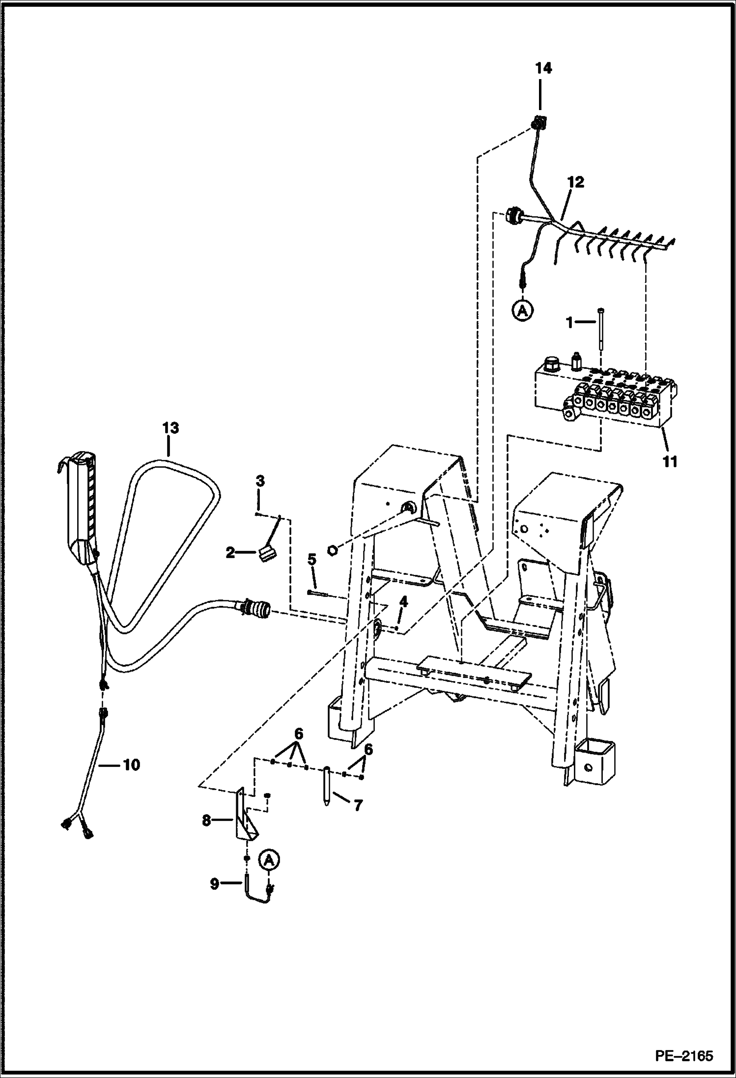
1

17C680

BOLT Use with 6675555 valve

1

17C672

BOLT Use with 6679465 valve

2

6675326

CAP PLUG

3

45G508

BOLT

4

50D5

NUT

5

17C436

BOLT

6

61D4

NUT 5

7

6725779

PIN pendulum

8

6676956

BRACKET

9

6675603

SWITCH

10

6719823

HARNESS 24'' long

11

6675555

VALVE See Illustration TREE SPADE/ B22731 EARLIER SERIAL NO'S

11

6679465

VALVE ASSY See Illustration TREE SPADE/ B22732 CONVERTIBLE

12

6682465

HARNESS See Illustration TREE SPADE/ B22731 VALVE - USED WITH EARLIER SERIAL NUMBERS

12

6732249

HARNESS See Illustration TREE SPADE/ B22732 ACD TO VALVE - USED WITH CONVERTIBLE SPADES

13

HARNESS ASSY See Illustration TREE SPADE/ PE2407

14

6676502

LIGHT

14

6676503

BULB

Выбрано товаров: 18