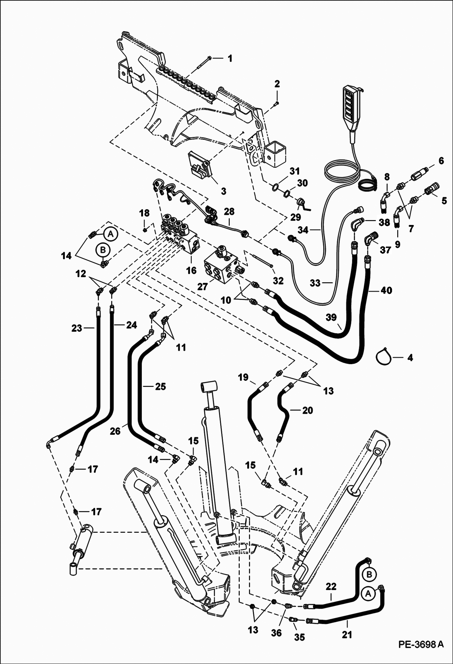
Запчасти Bobcat TREE SPADE TREE SPADE (Hydraulics) (TS36C Conv A9V6) (TS36M Conv A9TZ) (TS36T Conv A9SA) Loader

Схема запчастей Bobcat TREE SPADE - TREE SPADE (Hydraulics) (TS36C Conv A9V6) (TS36M Conv A9TZ) (TS36T Conv A9SA) Loader
FIT
1:1
100%

Артикул

Название

Примечание

Количество

1

31C664

BOLT

2

25G616

SCREW

3

6697951

CONTROLLER, ACD ACD

4

6624289

STRAP, TIE

5

6672960

COUPLER, FF FEMALE straight

6

6674688

COUPLER, FF MALE straight

7

15KB1012

FITTING, HYD CONNECTOR

8

7149386

HOSE, HYD 1778 mm (70'') long - 90 degree fitting (.875'' thread) & .875'' thread - Use straight couplers

9

7149387

HOSE, HYD 1880 mm (74'') long - 90 degree fitting (.875'' thread) & .875'' thread - Use straight couplers

10

15KB1010

FITTING, HYD CONNECTOR

11

18KB0808

FTG HYD ELBOW 45

12

18KB0608

FTG HYD ELBOW 45

13

15KB0808

FITTING, HYD CONNECTOR

14

17KB0808

FITTING, HYD ELBOW

15

7153665

ELBOW

16

6693257

VALVE, 3-BLADE See Illustration TREE SPADE/ MS2725 3-blade

17

15KB0606

FITTING, HYD CONNECTOR

18

83D6

NUT 5

19

7149385

HOSE, HYD

20

7149380

HOSE, HYD

21

7149384

HOSE, HYD

22

7151898

HOSE, HYD

23

7151895

HOSE, HYD

24

7151894

HOSE, HYD

25

7151896

HOSE, HYD

26

7151897

HOSE, HYD

27

6693256

VALVE, INLET CONVERTIBLE See Illustration TREE SPADE/ MS2727 inlet convertabile

28

7145246

HARNESS, VALVE valve - W/Ref. 29-31

29

6664035

CAP

30

6664036

NUT

31

6664037

WASHER

32

17C6104

BOLT

33

KIT See Illustration TREE SPADE/ PE3695 SALES #7152662 - ACD conversion - 7 pin

34

KIT See Illustration TREE SPADE/ PE3693 SALES #7152663 - pendant control - 3 blade

35

11K6

UNION

36

12K6

UNION

37

7168432

COUPLER, FF MALE 90 degree

38

7168433

COUPLER, FF FEMALE 90 degree

39

7171824

HOSE, HYD 1651 mm (65'') long - .875'' thread & 1.063'' thread - Use 90 degree couplers

40

7171825

HOSE, HYD 1778 mm (70'') long - .875'' thread & 1.063'' thread - Use 90 degree couplers

Выбрано товаров: 40