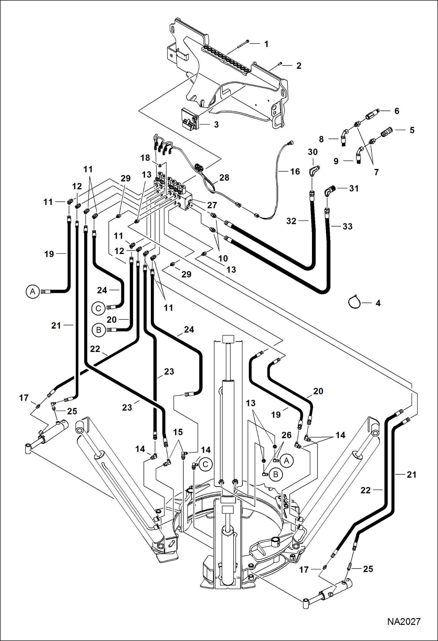
Запчасти Bobcat TREE SPADE TREE SPADE (Hydraulics) (TS44C A9VL) (TS44M A9UT) Loader

Схема запчастей Bobcat TREE SPADE - TREE SPADE (Hydraulics) (TS44C A9VL) (TS44M A9UT) Loader
FIT
1:1
100%

Артикул

Название

Примечание

Количество

1

31C664

BOLT

2

25G616

SCREW

3

6697951

CONTROLLER, ACD

4

6624289

STRAP, TIE

5

6672960

COUPLER, FF FEMALE straight

6

6674688

COUPLER, FF MALE straight

7

15KB1012

FITTING, HYD CONNECTOR

8

7149386

HOSE, HYD 1778 mm (70'') long - 90 degree fitting (.875'' thread) & .875'' thread - Use straight couplers

9

7149387

HOSE, HYD 1880 mm (74'') long - 90 degree fitting (.875'' thread) & .875'' thread - Use straight couplers

10

15KB1010

FITTING, HYD CONNECTOR

11

18KB0808

FTG HYD ELBOW 45

12

18KB0608

FTG HYD ELBOW 45

13

15KB0808

FITTING, HYD CONNECTOR

14

17KB0808

FITTING, HYD ELBOW

15

7153665

ELBOW

16

7150497

HARNESS, INPUT 7-PIN

17

15KB0606

FITTING, HYD CONNECTOR

18

83D6

NUT 5

19

7144581

HOSE, HYD

20

7144582

HOSE, HYD

21

7144583

HOSE, HYD

22

7144584

HOSE, HYD

23

7144585

HOSE, HYD

24

7144586

HOSE, HYD

25

6812815

FITTING

26

11K6

UNION

27

6693518

VALVE, 4-BLADE See Illustration TREE SPADE/ MS2726

28

7150169

HARNESS, VALVE

29

15KB0608

FITTING, HYD CONNECTOR

30

7168432

COUPLER, FF MALE 90 degree

31

7168433

COUPLER, FF FEMALE 90 degree

32

7171824

HOSE, HYD 1651 mm (65'') long - .875'' thread & 1.063'' thread - Use 90 degree couplers

33

7171825

HOSE, HYD 1778 mm (70'') long - .875'' thread & 1.063'' thread - Use 90 degree couplers

Выбрано товаров: 33