Запчасти Bobcat TRENCH COMPACTORS TRENCH COMPACTOR (223300101 & Above) Loader

Схема запчастей Bobcat TRENCH COMPACTORS - TRENCH COMPACTOR (223300101 & Above) Loader
FIT
1:1
100%

Артикул

Название

Примечание

Количество

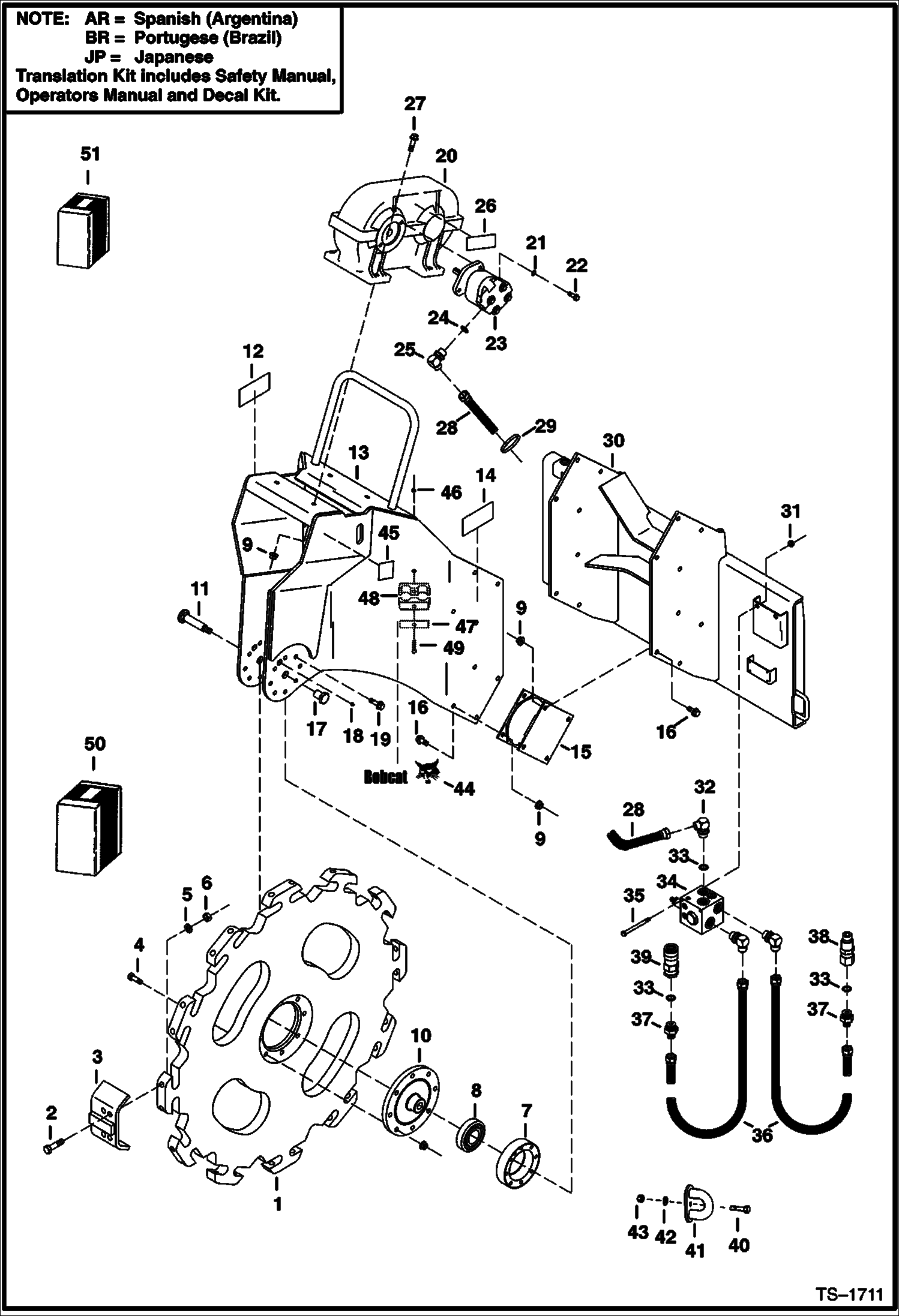
1

6905029

WHEEL

2

17C1040

BOLT

3

6905149

PAD

3

6905339

PAD wide - 8 in.

4

17C836

BOLT

5

4E10

WASHER

6

61D10

NUT

7

6905045

CARRIER

8

6905150

BEARING

9

89D8

NUT

10

6905048

HUB

11

6905047

BOLT

12

6594488

DECAL, WARNING enter/exit

13

6905037

MAIN FRAME

14

6701391

DECAL, EXIT See Illustration TRENCH COMPACTOR/ NA6238

14

7130141

DECAL, EXIT See Illustration TRENCH COMPACTOR/ NA6238 - no-text

15

6674141

ISOLATOR MOUNT

16

35C820

BOLT

17

6905046

NUT

18

10H25

FITTING, GREASE 5

19

35C824

BOLT

20

6673812

VIBRATOR See Illustration TRENCH COMPACTOR/ TS1713

21

4E7

WASHER

22

17C720

BOLT

23

6648663

MOTOR See Illustration TRENCH COMPACTOR/ B12039

23

6673030

MOTOR See Illustration TRENCH COMPACTOR/ B12039A

24

99K10

O'RING

25

17KB1010

FITTING, HYD ELBOW Was 17KV00007B - A

26

6905453

DECAL, WARNING hot surface

27

31C828

BOLT

28

6905293

HOSE

29

6624289

STRAP, TIE

30

6905289

ATTACH PLATE

31

89D6

NUT

32

17KB1212

FITTING, HYD ELBOW Was 17KV00008B - A

33

99K12

O RING

34

6674375

VALVE See Illustration TRENCH COMPACTOR/ B18484 See Illustration TRENCH COMPACTOR/ TS1712

35

17C672

BOLT

36

6905294

HOSE

37

15KB1212

FITTING, HYD CONNECTOR Was 15KN00008B - A

38

6674688

COUPLER, FF MALE straight - Was 6667808 - A

39

6672960

COUPLER, FF FEMALE straight

40

37C648

BOLT

40

37C656

BOLT

40

37C664

BOLT

41

6706160

GUIDE

42

872229

WASHER

43

85D6

NUT, 5

44

6727323

DECAL, LOGO BOBCAT AND HEAD LH - Was 6567987 - B

44

6727324

DECAL, LOGO BOBCAT AND HEAD RH - Was 6567988 - B

45

6583862

DECAL, WARNING See Illustration TRENCH COMPACTOR/ NA6238 keep 10 feet away

45

7130132

DECAL, WARNING See Illustration TRENCH COMPACTOR/ NA6238 - no-text

46

85D5

NUT 5

47

6906046

PLATE

48

6906045

HOSE CLAMP

49

17C548

BOLT

50

6905338

KIT wide pad - contains qty. 12 of 6905339 8'' wide pads

51

6905363AR

KIT translation - SEE NOTE

51

6905363BR

KIT translation - SEE NOTE

51

6905364AR

KIT decal - SEE NOTE

51

6905364BR

KIT decal - SEE NOTE

51

6905364JP

KIT decal - SEE NOTE

Выбрано товаров: 62