Качественные детали и логистика
Оригинальные и аналоговые запчасти с доставкой по России, Казахстану и Беларуси
©2022 PartSell ООО "Система" ИНН 2463123282 ОГРН 1212400004838
Центральный офис: г. Красноярск, Академика Киренского, д.87, пом.4
Телефон: 8 (800) 777-65-74 Email: zakaz@partsell.ru
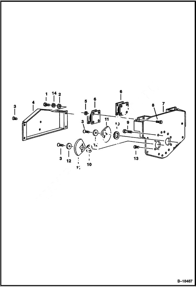
TRENCH COMPACTOR (Vibrating Group) (991500101 & Above)
№
Артикул
Название
Примечание
Количество
1
6676808
BOLT
2
6676786
WASHER
3
6677244
4
6677259
COVER
5
53DM10
NUT Was 6677242 - A
6
6677243
MOUNT
7
6677260
FRAME
8
6677231
9
6677261
10
6677249
SPACER
11
6677248
WEIGHT
12
6677246
13
6677257
14
WASHER NLA - Was 6677721 - A
Выбрано товаров: 0