Качественные детали и логистика
Оригинальные и аналоговые запчасти с доставкой по России, Казахстану и Беларуси
©2022 PartSell ООО "Система" ИНН 2463123282 ОГРН 1212400004838
Центральный офис: г. Красноярск, Академика Киренского, д.87, пом.4
Телефон: 8 (800) 777-65-74 Email: zakaz@partsell.ru
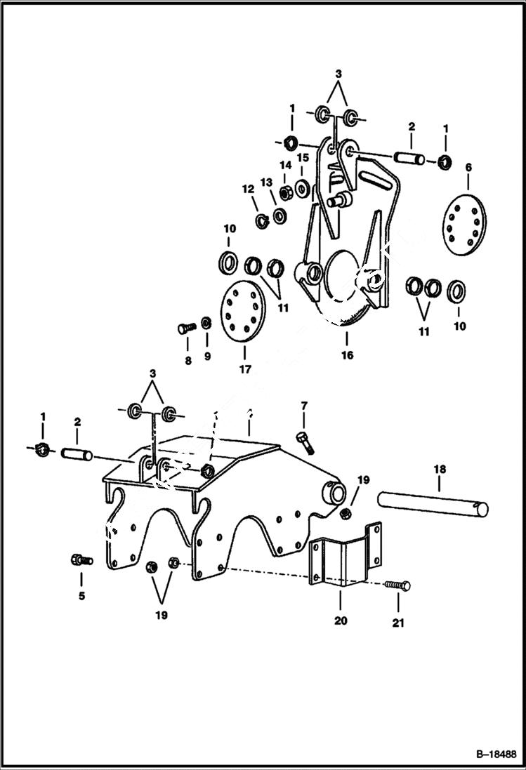
TRENCH COMPACTOR (Housing & Tilt Frame) (991500101 & Above)
№
Артикул
Название
Примечание
Количество
1
6677262
RING retaining
2
PIN NLA - Was 6677263 - A
3
6677264
BUSHING
4
6677265
HOUSING
5
6677722
BOLT
6
6676744
PIVOT
7
6677267
8
6676740
9
6676741
WASHER
10
6677268
SPACER
11
6676747
SPACER Was 6677269 - A
12
6676810
RING,RETAINING
13
6677270
14
6676783
NUT
15
6676784
16
6677271
MOUNT
17
6676782
PLATE pivot
18
6677272
SHAFT
19
53DM10
NUT Was 6677242 - A
20
6677723
COVER
21
6677724
Выбрано товаров: 0