Качественные детали и логистика
Оригинальные и аналоговые запчасти с доставкой по России, Казахстану и Беларуси
©2022 PartSell ООО "Система" ИНН 2463123282 ОГРН 1212400004838
Центральный офис: г. Красноярск, Академика Киренского, д.87, пом.4
Телефон: 8 (800) 777-65-74 Email: zakaz@partsell.ru
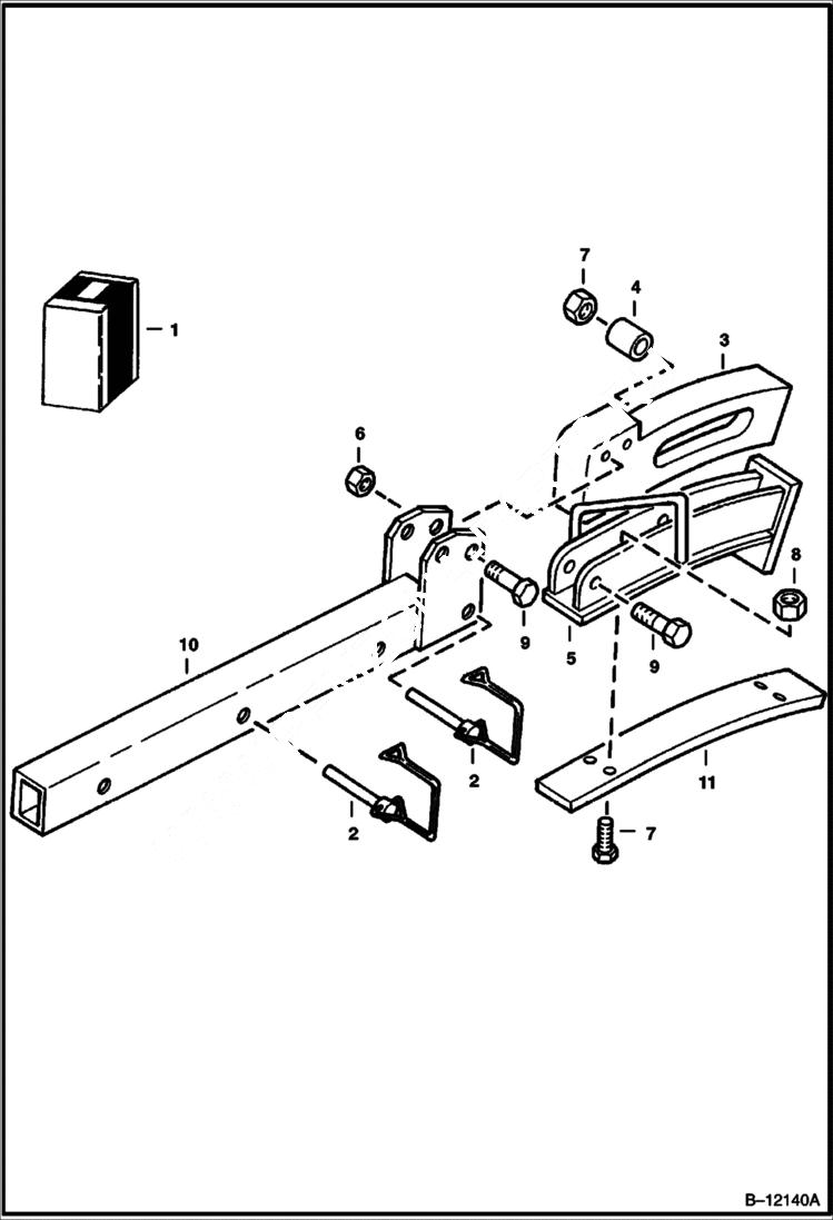
TRENCHER (Trench Cleaner) (LT203)
№
Артикул
Название
Примечание
Количество
1
6807243
KIT W/Ref. 2 - 9
2
6648773
PIN
3
6572490
FOOT
4
6572493
ROLLER
5
6572491
SHOE
6
85D8
NUT, 5
7
17C616
BOLT 5
8
85D6
9
17C844
BOLT
10
6577317
BAR not in kit
11
ADAPTER NLA - 5'' (127mm) shoe - not in kit - Was 6572496 - A
6572494
ADAPTER 6'' (152mm) shoe - not in kit
6572495
ADAPTER 8'' (203mm) shoe - not in kit
Выбрано товаров: 0