Запчасти Bobcat TRENCHERS TRENCHER (Digging Group) (LT204) Loader

Схема запчастей Bobcat TRENCHERS - TRENCHER (Digging Group) (LT204) Loader
FIT
1:1
100%

Артикул

Название

Примечание

Количество

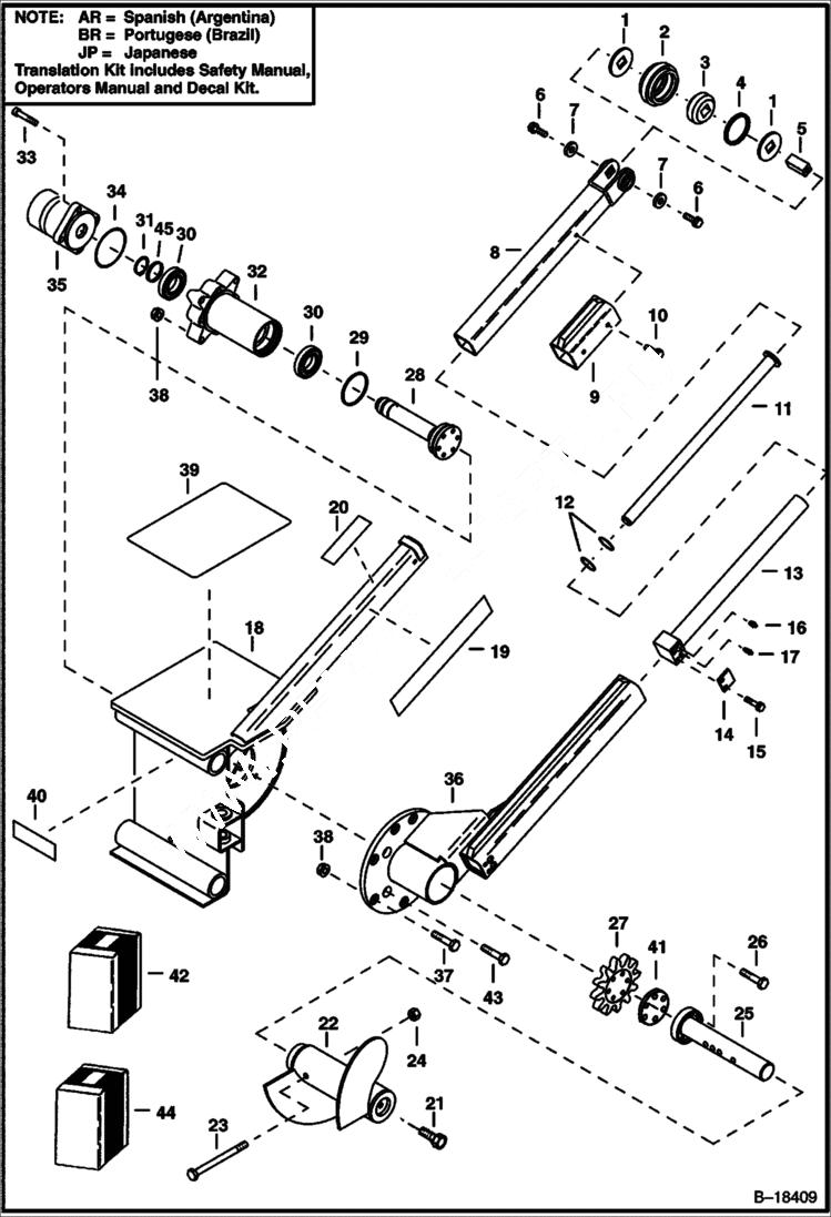
1

6577025

SPACER

2

6577026

ROLLER

3

6576140

BEARING, TRENCHER

4

6645545

RING retaining

5

6577011

SHAFT

6

49C816

BOLT Was 35C816 - B

7

27E8

WASHER 10

8

6577012

BOOM END 3 ft. (914mm) digging depth

8

6578260

BOOM END 4 ft. - Was NLA - A

9

6577016

FILLER TUBE

10

84G3712

BOLT 5

11

6959165

ROD Was 6704609 - A

12

6646836

SEAL

13

6704612

CYLINDER, GREASE grease

14

6704189

COVER

15

31C620

BOLT Was 35C620 - B

16

6655752

FITTING 68,900 kpa (10,000 psi) - DO NOT SUBSTITUTE

17

6645812

SCREW, BLEED

18

6704252

BOOM

19

6579914

DECAL, DANGER

20

6575965

DECAL, WARNING

21

17C816

BOLT

22

6959112

AUGER Was 6579581 - A

23

17C872

BOLT

24

85D8

NUT, 5

25

6579580

SHAFT

26

29G628

BOLT Was 73G628 - B

27

6705174

SPROCKET, TRENCHER

28

6579576

SHAFT, HEAD

29

6662063

SEAL

30

6651227

BEARING

31

6651529

SNAP RING

32

PIVOT NLA - used without Ref. 45 - Order 6805729 pivot & Ref. 45 - Was 6579577 - A

32

6805729

PIVOT Use with Ref. 45

33

17C828

BOLT

34

58K045

O-RING Was 25K020400B - B

35

6662841

MOTOR, DRIVE HYD See Illustration TRENCHER/ C3328B

36

6704257

COVER

37

17C852

BOLT 5

38

83D8

NUT 5

39

6705902

SAFETY TREAD

40

DECAL NLA - bobcat - Was 6705602 - A

41

6706170

ADAPTER

42

6708208

CHAIN GUIDE Kit - W/Ref. 9 & 10

43

17C848

BOLT

44

6716931AR

KIT decal - SEE NOTE

44

6716931BR

KIT decal - SEE NOTE

44

6716931JP

KIT decal - SEE NOTE

44

6716930AR

KIT translation - SEE NOTE

44

6716930BR

KIT translation - SEE NOTE

45

6805727

WASHER backup

Выбрано товаров: 51