Качественные детали и логистика
Оригинальные и аналоговые запчасти с доставкой по России, Казахстану и Беларуси
©2022 PartSell ООО "Система" ИНН 2463123282 ОГРН 1212400004838
Центральный офис: г. Красноярск, Академика Киренского, д.87, пом.4
Телефон: 8 (800) 777-65-74 Email: zakaz@partsell.ru
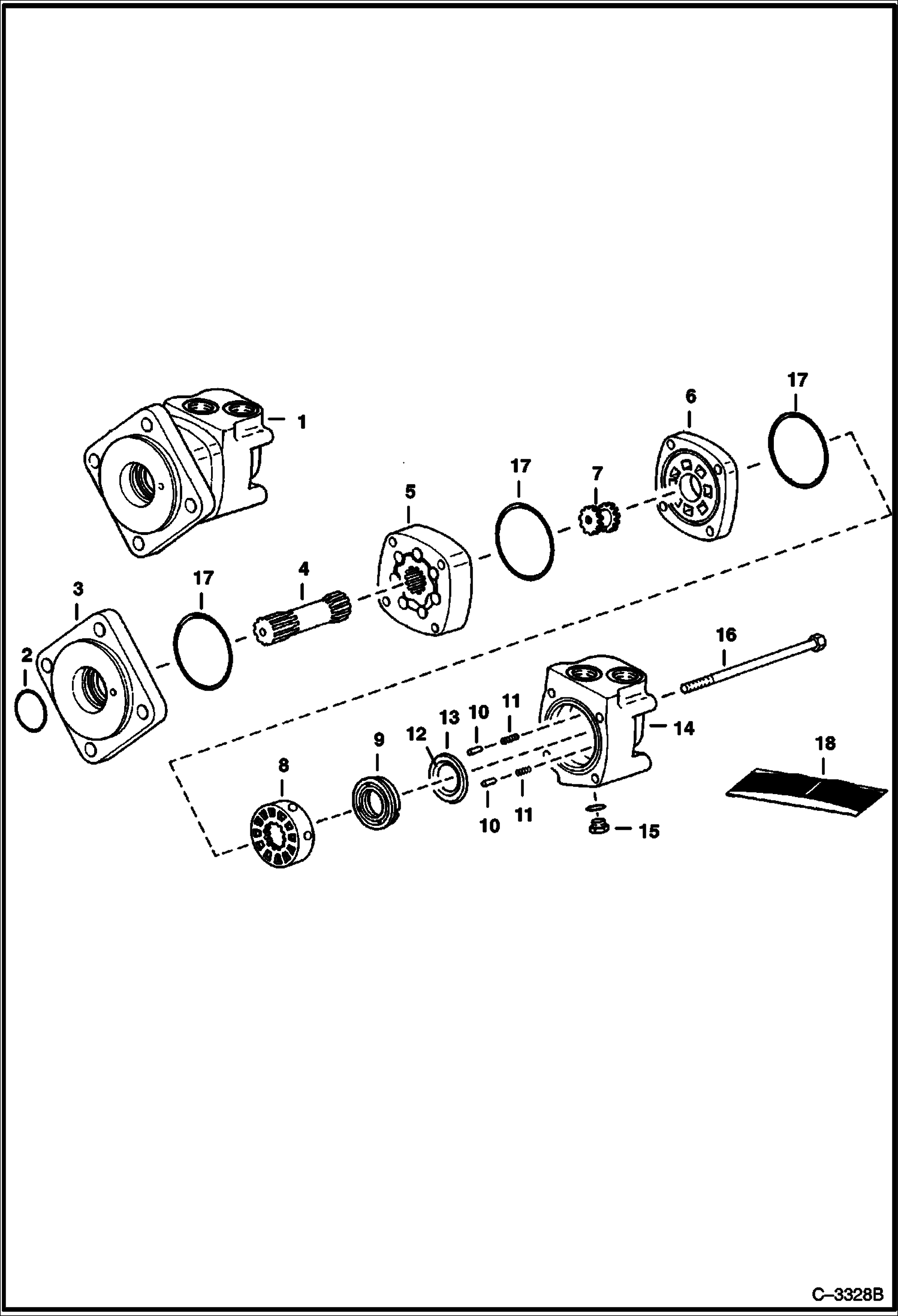
TRENCHER (Hydraulic Motor) (LT204)
№
Артикул
Название
Примечание
Количество
1
6662841
MOTOR, DRIVE HYD W/Ref. 2 - 17
2
25K30116
RING Was 6658681 - A
3
6658523
FLANGE
4
6662956
SHAFT
5
6662957
GEROLER
6
6656368
PLATE valve
7
1992084
DR VALVE valve - Was 1992024 - D
8
6632288
VALVE
9
6630027
BALANCE RING
10
1992102
PIN
11
1992088
SPRING
12
1992100
SEAL
13
SEAL NLA - Order Ref. 18 seal kit - Was 6653300 - A
14
6632348
HOUSING
15
1992104
PLUG
16
6632298
BOLT
17
6662955
18
6658527
SEAL KIT Ref. 2, 12, 13 & 17 - Was 6648973 - B,D
Выбрано товаров: 0