Запчасти Bobcat TRENCHERS TRENCHER (Digging Group) (LT213) Loader

Схема запчастей Bobcat TRENCHERS - TRENCHER (Digging Group) (LT213) Loader
FIT
1:1
100%

Артикул

Название

Примечание

Количество

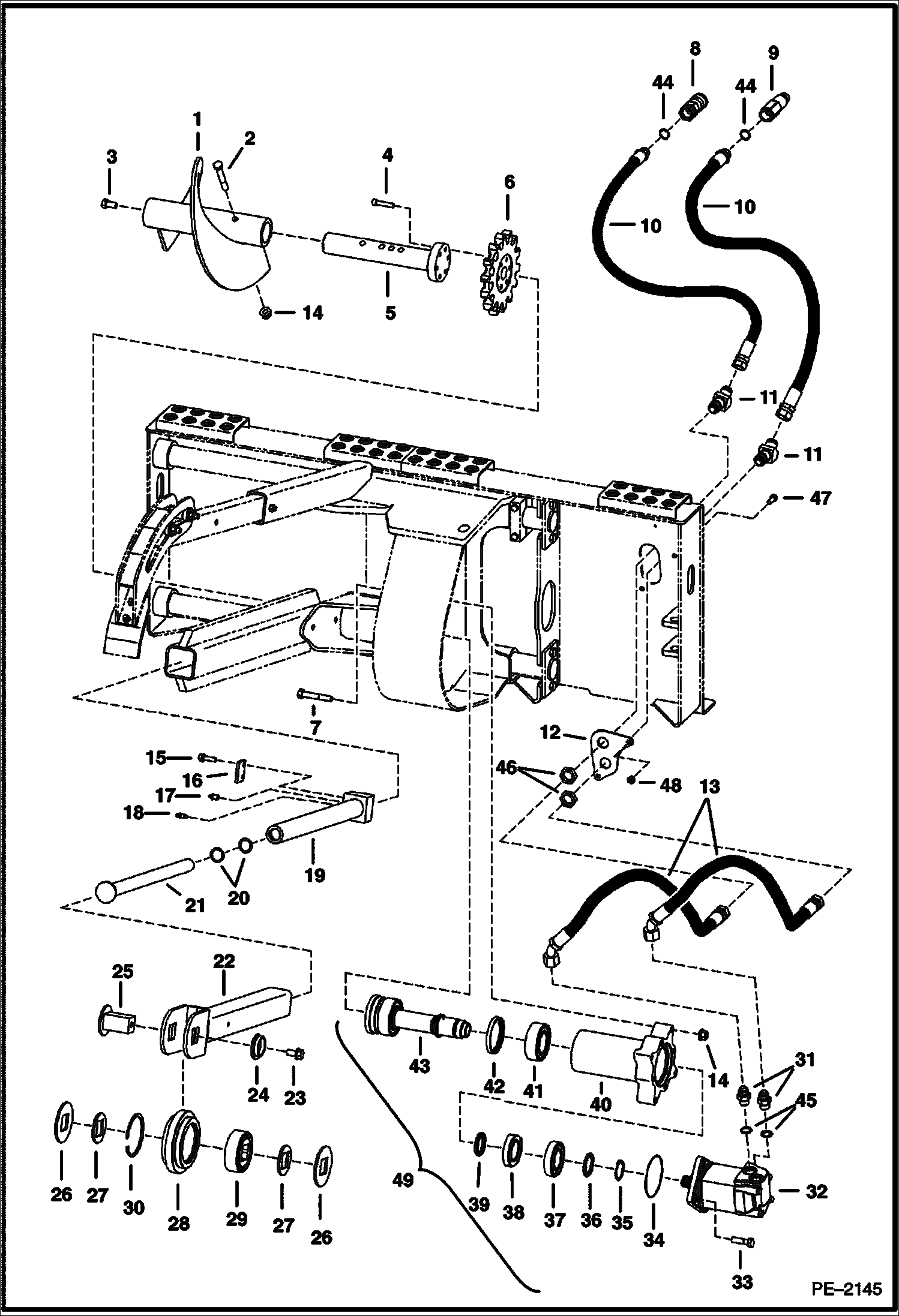
1

6959112

AUGER

2

17C856

BOLT

3

17C816

BOLT

4

29G628

BOLT Was 73G628 - B

5

6579580

SHAFT

6

6959090

SPROCKET

7

17C848

BOLT

8

6672960

COUPLER, FF FEMALE straight

9

6674688

COUPLER, FF MALE straight

10

6959117

HOSE

11

46K8

ELBOW

12

6959214

WASHER

13

6959129

HOSE

14

83D8

NUT 5

15

31C620

BOLT Was 35C620 - B

16

6704189

COVER

17

6655752

FITTING 68,900 kpa (10,000 psi) - DO NOT SUBSTITUTE

18

6645812

SCREW, BLEED

19

6704612

CYLINDER, GREASE grease

20

6646836

SEAL

21

6959165

ROD

22

6959146

BOOM END

23

49C816

BOLT Was 35C816 - B

24

6959198

SHIELD

25

6959191

SHAFT

26

6959164

SPACER outer

27

6959163

SPACER inner

28

6959114

IDLER

29

6676959

BEARING, WHEEL PACKER Was 6511255 - A

30

6684926

RING retaining

31

15KB1210

FITTING, HYD CONNECTOR

32

6662841

MOTOR, DRIVE HYD See Illustration TRENCHER/ C3328E

33

17C828

BOLT

34

58K45

O-RING Was 25K020400B - B

35

6651529

SNAP RING

36

6805727

WASHER

37

6651227

BEARING

38

6959218

INSERT Use on earlier machines

39

6684674

SEAL pressure

40

6959226

HOUSING Was 6959216 - A

41

6684647

BEARING

42

6684922

SEAL

43

6959215

SHAFT, DRIVE

44

79K12

O RING 10

45

79K10

O RING 10

46

86F8

NUT 5

47

17C616

BOLT 5

48

85D6

NUT, 5 Was 87D000006B - A

49

6959217

CARRIER ASSY W/Ref. 35 - 37, 39 - 43

Выбрано товаров: 49