Запчасти Bobcat TRENCHERS TRENCHER (Main Frame & Hydraulics) (LT304) Loader

Схема запчастей Bobcat TRENCHERS - TRENCHER (Main Frame & Hydraulics) (LT304) Loader
FIT
1:1
100%

Артикул

Название

Примечание

Количество

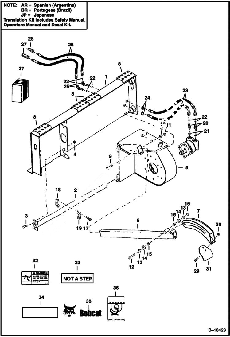
1

6806828

FRAME

2

6806822

BAR ASMBLY

3

17C820

BOLT

4

61D8

NUT 5

5

6806676

FRAME

6

6807009

BOOM

7

6806979

BRACKET trench cleaner

8

6905990

STEP Was 6701943 - B

9

17C1056

BOLT

10

25E26

WASHER

11

87D10

NUT

12

17C864

BOLT

13

27E8

WASHER 10

14

6806981

ROLLER

15

6806983

BUSHING

16

87D8

NUT

17

17C636

BOLT

18

6806949

CLAMP with threaded holes

19

6806950

CLAMP with thru holes

20

15KB1212

FITTING, HYD CONNECTOR Was 15KN00008B - A

21

99K12

O RING

22

97K12

O'RING flared end

23

6806675

HOSE

24

86F8

NUT 5

25

88F8

FITTING Was 88FN00008B - A

26

6714881

HOSE

27

6672960

COUPLER, FF FEMALE straight

28

6674688

COUPLER, FF MALE straight - Was 6667808 - A

29

17C620

BOLT

30

85D6

NUT, 5

31

6806974

ADAPTER trench cleaner, 6''(152mm)

31

6806975

ADAPTER trench cleaner, 8''(203mm)

31

6806976

ADAPTER trench cleaner, 10''(252mm)

31

6806977

ADAPTER trench cleaner, 12''(305mm)

32

6701391

DECAL, EXIT See Illustration TRENCHER/ NA6253

32

7130141

DECAL, EXIT See Illustration TRENCHER/ NA6253 - no-text

33

6657351

DECAL, STEP See Illustration TRENCHER/ NA6253

33

7130136

DECAL, STEP See Illustration TRENCHER/ NA6253 - no-text

34

6579914

DECAL, DANGER See Illustration TRENCHER/ NA6253

34

7130131

DECAL, DANGER See Illustration TRENCHER/ NA6253 - no-text

35

6727324

DECAL, LOGO BOBCAT AND HEAD Was 6567987 - B

36

6727595

DECAL Was 6533898 - B

37

6809373AR

KIT translation - SEE NOTE

37

6809373BR

KIT translation - SEE NOTE

37

6809374AR

KIT decal - SEE NOTE

37

6809374BR

KIT decal - SEE NOTE

37

6809374JP

KIT decal - SEE NOTE

Выбрано товаров: 47