Запчасти Bobcat TRENCHERS TRENCHER (Digging Group) (LT304) Loader

Схема запчастей Bobcat TRENCHERS - TRENCHER (Digging Group) (LT304) Loader
FIT
1:1
100%

Артикул

Название

Примечание

Количество

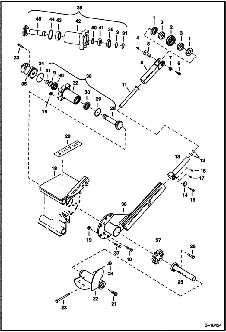
1

6703305

WASHER

2

6959094

ROLLER Was 6806763 - A

3

6659352

BEARING, SHAFT Was 6576140 - B

4

10H25

FITTING, GREASE 5

5

6703308

SHAFT

6

49C816

BOLT Was 35C816 - B

7

6675521

WASHER

8

6806761

BOOM END

9

6806562

WASHER backup

10

17C852

BOLT 5

11

6806755

ROD

12

6646836

SEAL

13

6806758

CYLINDER grease

14

6704189

COVER

15

31C620

BOLT Was 35C620 - B

16

6655752

FITTING 68,900 kpa (10,000 psi) - DO NOT SUBSTITUTE

17

6645812

SCREW, BLEED

18

6806676

FRAME

19

83D8

NUT 5

20

6657351

DECAL, STEP

21

17C816

BOLT

22

AUGER NLA - 14'' dia - order 6959088 - Was 6806846 - A

22

6959088

AUGER 12'' dia - Was 6810112 - A

23

17C864

BOLT

24

83D8

NUT 5

25

6806839

SHAFT

26

93G832

BOLT

27

6806486

SPROCKET

28

6806507

SHAFT

29

6675374

SEAL

30

6646236

BEARING .8'' (20,3 mm) wide

31

743669

SNAP RING

32

6806518

PIVOT

33

93GT828

BOLT Was 93G828 - B

34

58K160

O-RING 10 Was 25K030508B - B

35

MOTOR See Illustration TRENCHER/ B18427

36

6806642

BOOM

37

17C856

BOLT

38

HOUSING ASSY NLA - W/Ref. 9, 28 - 32 - Order 6959247 Housing Assy - check style of housing before ordering parts - Was 6677207 - A

39

6959247

CARRIER ASSY W/Ref. 9, 30, 31 & 40 -45 - check style of housing before order parts

40

6684673

SEAL pressure

41

INSERT NLA - Was 6959213 - A

42

6959225

HOUSING Was 6959132 - A

43

6576155

BEARING 1.28'' (32,5 mm) wide

44

6684675

SEAL dust

45

6959212

SHAFT

Выбрано товаров: 46