Запчасти Bobcat TRENCHERS TRENCHER (Main Frame & Boom) (LT313) Loader

Схема запчастей Bobcat TRENCHERS - TRENCHER (Main Frame & Boom) (LT313) Loader
FIT
1:1
100%

Артикул

Название

Примечание

Количество

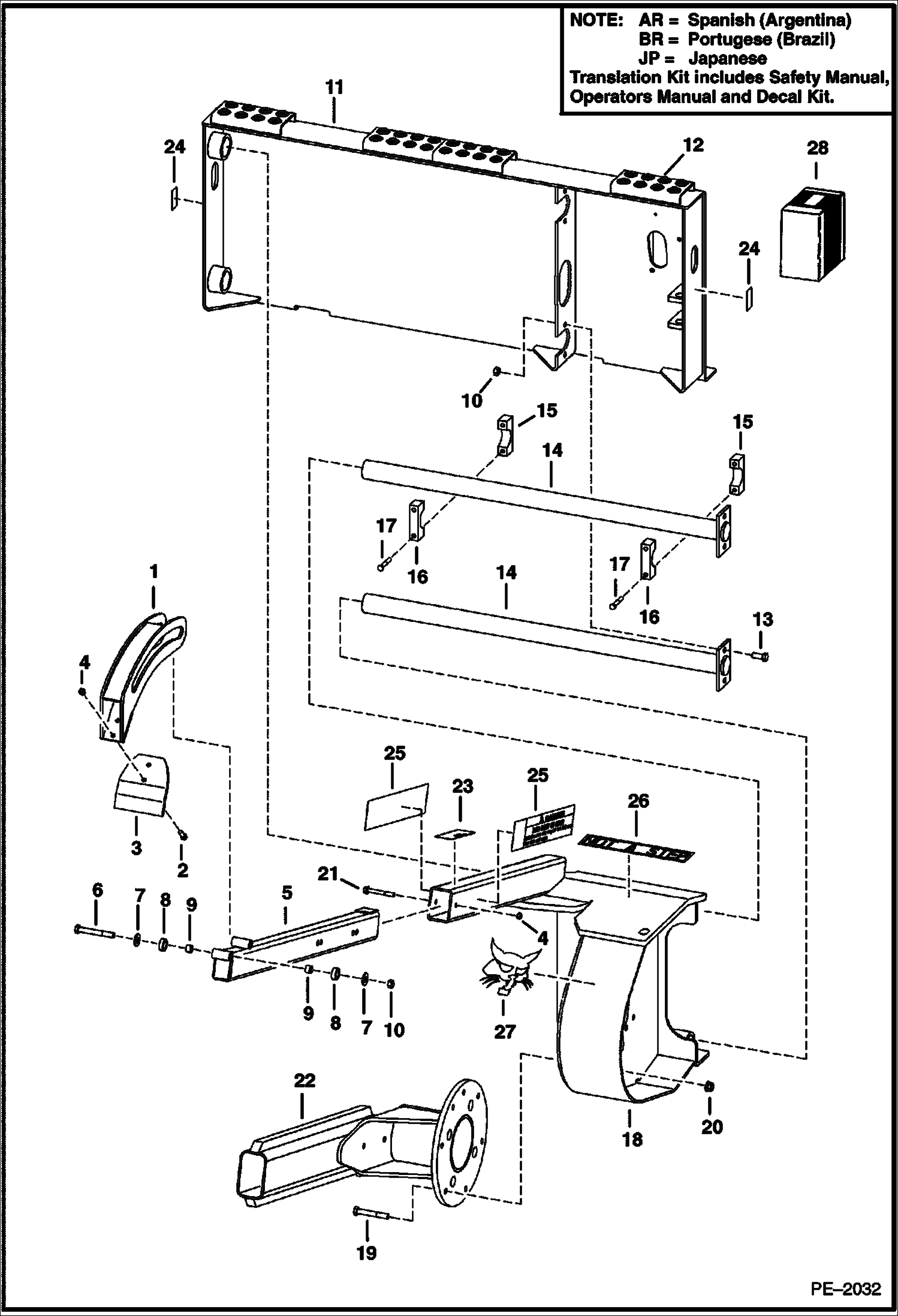
1

6806979

BRACKET trench cleaner

2

17C620

BOLT

3

6806974

ADAPTER trench cleaner, 6''(152mm)

3

6806975

ADAPTER trench cleaner, 8''(203mm)

3

6806976

ADAPTER trench cleaner, 10''(252mm)

3

6806977

ADAPTER trench cleaner, 12''(305mm)

4

85D6

NUT, 5 Was 87D000006B - A

5

6959102

TUBE

6

17C864

BOLT

7

6905688

WASHER Was 27E000008B - B

8

6806981

ROLLER

9

6806983

BUSHING

10

85D8

NUT, 5 Was 87D000008B - B

11

6959043

FRAME bobtach

12

6905990

STEP

13

17C820

BOLT

14

6959071

ROD

15

6806949

CLAMP with threaded holes

16

6806950

CLAMP with thru holes

17

17C636

BOLT

18

6959063

HOUSING *SEE NOTES*

19

17C856

BOLT

20

83D8

NUT 5

21

31C648

BOLT Was 35C648 - B

22

6959076

BOOM

23

6575965

DECAL, WARNING See Illustration TRENCHER/ NA6253

23

7130130

DECAL, WARNING See Illustration TRENCHER/ NA6253 - no-text

24

6815993

DECAL, LIFT tie down

25

6579914

DECAL, DANGER See Illustration TRENCHER/ NA6253

25

7130131

DECAL, DANGER See Illustration TRENCHER/ NA6253 - no-text

26

6657351

DECAL, STEP See Illustration TRENCHER/ NA6253

26

7130136

DECAL, STEP See Illustration TRENCHER/ NA6253 - no-text

27

6700191

DECAL, LOGO BOBCAT HEAD

28

6959290AR

KIT translation - SEE NOTE

28

6959290BR

KIT translation - SEE NOTE

28

6959293AR

KIT decal - SEE NOTE

28

6959293BR

KIT decal - SEE NOTE

28

6959293JP

KIT decal - SEE NOTE

Выбрано товаров: 38