Запчасти Bobcat TRENCHERS TRENCHER (Hydraulic Circuitry) (LT405 705100101 & Above) Loader

Схема запчастей Bobcat TRENCHERS - TRENCHER (Hydraulic Circuitry) (LT405 705100101 & Above) Loader
FIT
1:1
100%

Артикул

Название

Примечание

Количество

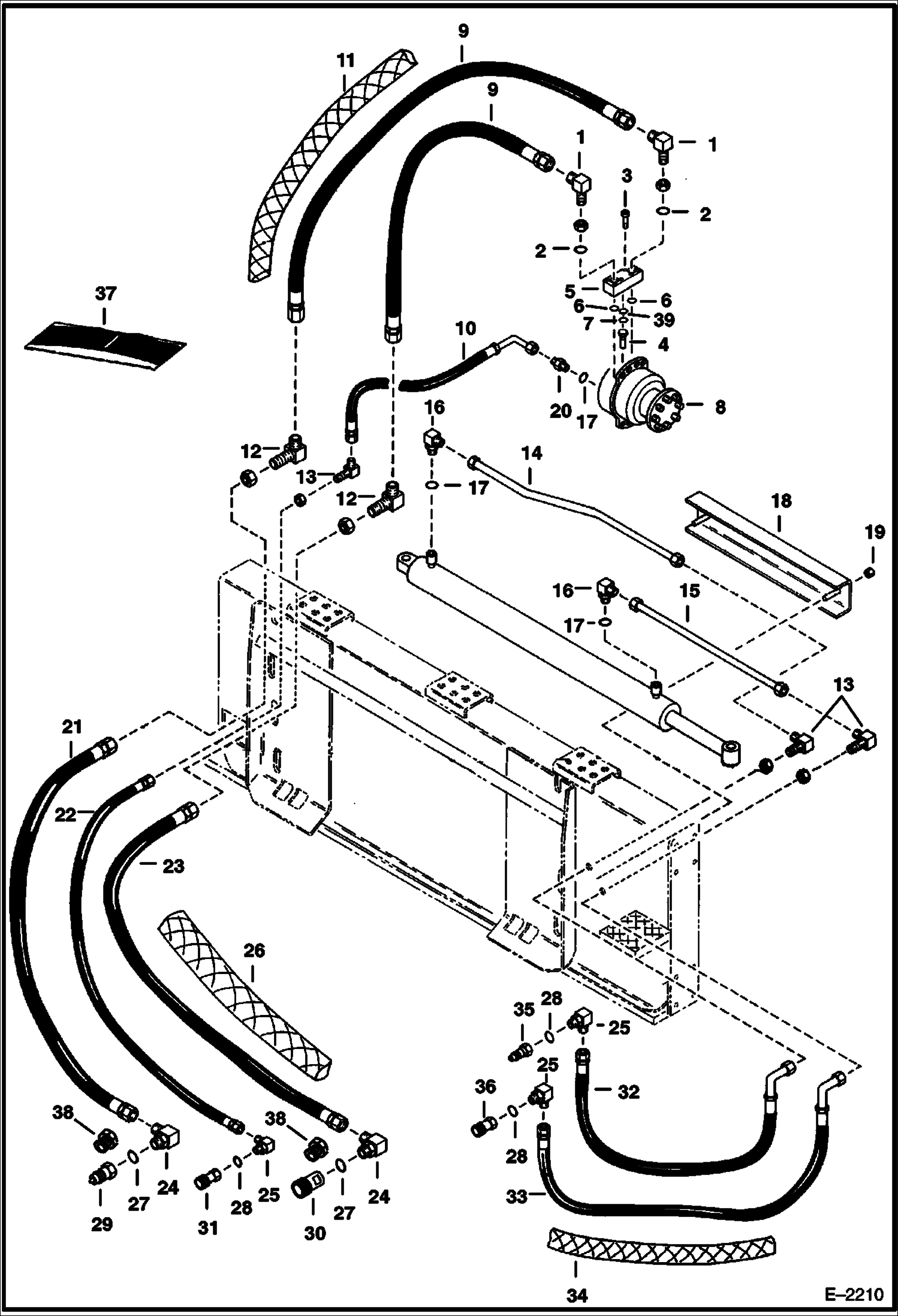
1

6665146

FITTING

2

39K8

O'RING

3

1CM1050

SCREW Was 6659878 - A

4

6665181

CARTRIDGE

5

6665145

BLOCK

6

38K40100

O'RING

7

6659880

O-RING

8

6662316

MOTOR See Illustration TRENCHER/ B15176 See Illustration TRENCHER/ B18452

9

6665135

HOSE

10

6665136

HOSE

11

6665137

HOSE COVER

12

6665138

FITTING W/Nuts

13

6665139

FITTING W/Nuts

14

6665142

TUBE

15

6665143

TUBE

16

6658487

ELBOW

17

39K6

O'RING

18

6665141

GUARD

19

59D4

NUT 5

20

6660066

ADAPTER

21

6665128

HOSE

22

6665129

HOSE

23

6665130

HOSE

24

6660544

ELBOW

25

6657211

ELBOW

26

6665131

HOSE COVER

27

38K40104

O'RING

28

39K5

O'RING

29

6515597

QUICK COUPLER male - pipe thread

29

6674688

COUPLER, FF MALE straight - Was 6667808 - A

30

6515596

QUICK COUPLER female - pipe thread

30

6672960

COUPLER, FF FEMALE straight

31

6658252

QUICK COUPLER female - screw on

32

6665132

HOSE

33

6665133

HOSE

34

6665134

HOSE COVER

35

6648969

QUICK COUPLER male - Was 6658493 - A

36

6648967

QUICK COUPLER female - Was 6658494 - A

37

6665182

SEAL KIT For Ref. 4

38

6670983

ADAPTER Use to convert to flush face couplers

39

6659881

O-RING

Выбрано товаров: 41