Качественные детали и логистика
Оригинальные и аналоговые запчасти с доставкой по России, Казахстану и Беларуси
©2022 PartSell ООО "Система" ИНН 2463123282 ОГРН 1212400004838
Центральный офис: г. Красноярск, Академика Киренского, д.87, пом.4
Телефон: 8 (800) 777-65-74 Email: zakaz@partsell.ru
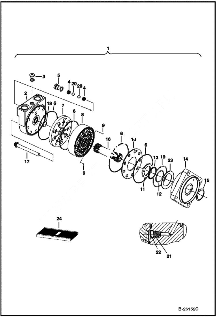
TRENCHER (Hydraulic Motor) (LT414)
№
Артикул
Название
Примечание
Количество
1
6689610
MOTOR, HYD W/Ref 2 - 23
2
6690277
HOUSING
3
6668079
PLUG, MOTOR
4
6513533
SPRING Was 6651537 - A
5
6668089
6
6678000
SEAL
7
6689698
PLATE valve
8
6690278
GEROLER
9
6651542
BALL, STEEL
10
6689700
PLATE balancing - outer
11
6678004
PLATE balancing - inner
12
6682860
O-RING
13
6678006
RING, BACK-UP
14
6689701
FLANGE
15
6664815
SEAL, OIL
16
6690279
DRIVE
17
6690280
BOLT
18
6669452
19
6682897
20
6664428
21
PLUG, MOTOR NLA - orifice - Was 6850005 - A
22
6850004
SCREEN
23
6685069
RING,BACK-UP belleville disc
24
6689679
SEAL KIT Ref. 3, 5, 6, 12, 13, 15, 18 & 19
Выбрано товаров: 0