Запчасти Bobcat TRENCHERS TRENCHER (Trench Cleaner) ((MX102 All S/Ns for 331,334,335,337,341,430,435) Экскаваторы

Схема запчастей Bobcat TRENCHERS - TRENCHER (Trench Cleaner) ((MX102 All S/Ns for 331,334,335,337,341,430,435) Экскаваторы
FIT
1:1
100%

Артикул

Название

Примечание

Количество

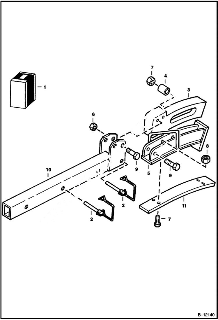
1

6807243

KIT W/Ref. 2 - 9

2

6648773

PIN

3

6572490

FOOT

4

6572493

ROLLER

5

6572491

SHOE

6

85D8

NUT, 5

7

17C616

BOLT 5

8

85D6

NUT, 5

9

17C844

BOLT

10

6577317

BAR not in kit

11

6572496

ADAPTER 5'' (127mm) shoe - not in kit

11

6572494

ADAPTER 6'' (152mm) shoe - not in kit

11

6572495

ADAPTER 8'' (203mm) shoe - not in kit

Выбрано товаров: 13