Запчасти Bobcat UTILITY BLADE UTILITY BLADE (48 - Use on 463, S70, MT52, MT55) Loader

Схема запчастей Bobcat UTILITY BLADE - UTILITY BLADE (48 - Use on 463, S70, MT52, MT55) Loader
FIT
1:1
100%

Артикул

Название

Примечание

Количество

1

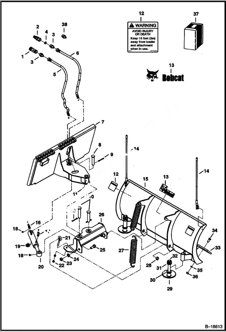
6672960

COUPLER, FF FEMALE straight

2

6674688

COUPLER, FF MALE straight - Was 6667808 - A

3

15KB1012

FITTING, HYD CONNECTOR Was 6673322 - A

4

ORIFICE NLA - Do not use with 6674688 coupler - Order Ref. 38 - Was 6906556 - A

5

6907084

HOSE

6

6907085

HOSE

7

6907051

MOUNT Bob-Tach

8

6907077

PIN

9

1F732

COTTER PIN

10

6907062

PIN

11

12H25

FITTING

12

6583862

DECAL, WARNING

13

7109473

DECAL, LOGO BOBCAT AND HEAD Was 6727324 - B

14

6673609

KIT, INDICATOR ROD

14

INDICATOR ROD NSS

14

17C516

BOLT

14

62D5

NUT

14

25E5

WASHER

15

6907053

MOLD BOARD

16

12K5

ADAPTER Was 12KN00005B - B

17

11K5

FITTING Was 11KN00005B - A

18

12H15

FITTING, GREASE 5

19

6907081

SPACER

20

6809501

CYLINDER See Illustration UTILITY BLADE/ PE1330

21

6907078

EYE BOLT

22

63D8

NUT

23

59D12

NUT

24

25E28

WASHER

25

17C1236

BOLT

26

6907052

PIVOT

27

6673607

SPRING

28

6905186

BUSHING

29

SHOE SKID NLA - Order (2) each of 7107683 shoe skid, Ref. 32 & (36) of Ref. 31 - Was 6673610 - B,D

29

7107683

SKID, SHOE

30

6905348

BUSHING Use on earlier skid shoes

31

6905346

WASHER Order 18 per shoe

32

6560382

PIN, LOCK

33

6907059

EDGE, CUTTING BOLT ON 48''

34

39C1028

BOLT, PLOW Was 6648573 - A

35

4E10

WASHER

36

61D10

NUT

37

6906555AR

KIT translation

37

6906555BR

KIT translation

37

6906126AR

KIT decal

37

6906126BR

KIT decal

37

6906126JP

KIT decal

38

6678558

ADAPTER with built-in .060'' orifice

Выбрано товаров: 47