Качественные детали и логистика
Оригинальные и аналоговые запчасти с доставкой по России, Казахстану и Беларуси
©2022 PartSell ООО "Система" ИНН 2463123282 ОГРН 1212400004838
Центральный офис: г. Красноярск, Академика Киренского, д.87, пом.4
Телефон: 8 (800) 777-65-74 Email: zakaz@partsell.ru
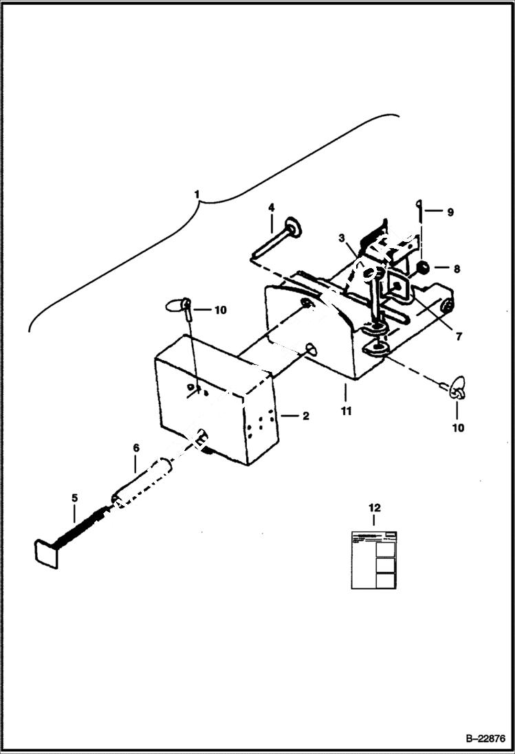
V-BLADE (Float Kit) (72) (84) (96) (108)
№
Артикул
Название
Примечание
Количество
1
7102603
KIT, FLOAT Ref. 2-12 - Was SALES - D
2
6685726
SWIVEL
3
6685727
PIN, LOCK
4
6685728
PIN, FLOAT
5
6685729
PIN, SWIVEL
6
6685730
BUSHING
7
6685731
PLATE
8
3D20
NUT slotted
9
1F832
COTTERPIN
10
6635322
PIN Was 6685746 - A
11
6685725
FRAME
12
6903173
INSTRUCTIONS
Выбрано товаров: 0