Запчасти Bobcat V-BLADE V-BLADE (Control Valve) (60 084300101 - 00230) (72 083900101 - 00625) (84 084000101 - 00684) (96 084100101 - 00822) (108 084200101 - 00563) Loader

Схема запчастей Bobcat V-BLADE - V-BLADE (Control Valve) (60 084300101 - 00230) (72 083900101 - 00625) (84 084000101 - 00684) (96 084100101 - 00822) (108 084200101 - 00563) Loader
FIT
1:1
100%

Артикул

Название

Примечание

Количество

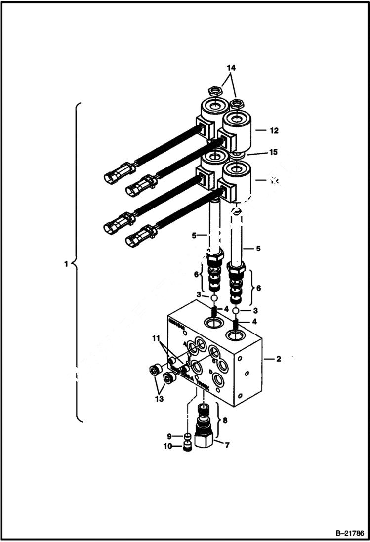
1

6681546

VALVE ASSY W/Ref. 2-13

2

6682156

BLOCK

3

6682157

BALL

4

6680960

SPRING

5

6682158

SPOOL

6

6682159

SEAL KIT

7

6682160

LOGIC ELEMENT

8

6667181

SEAL KIT

9

6669615

ORIFICE 0.02

10

47K3

PLUG

11

6678083

ORIFICE 0.09

12

6671026

COIL

13

47K5

PLUG

14

6671628

NUT Was 6671629 - B

15

6679068

SPACER coil

Выбрано товаров: 15