Запчасти Bobcat WATER KIT WATER KIT (Quick-Tach) Loader

Схема запчастей Bobcat WATER KIT - WATER KIT (Quick-Tach) Loader
FIT
1:1
100%

Артикул

Название

Примечание

Количество

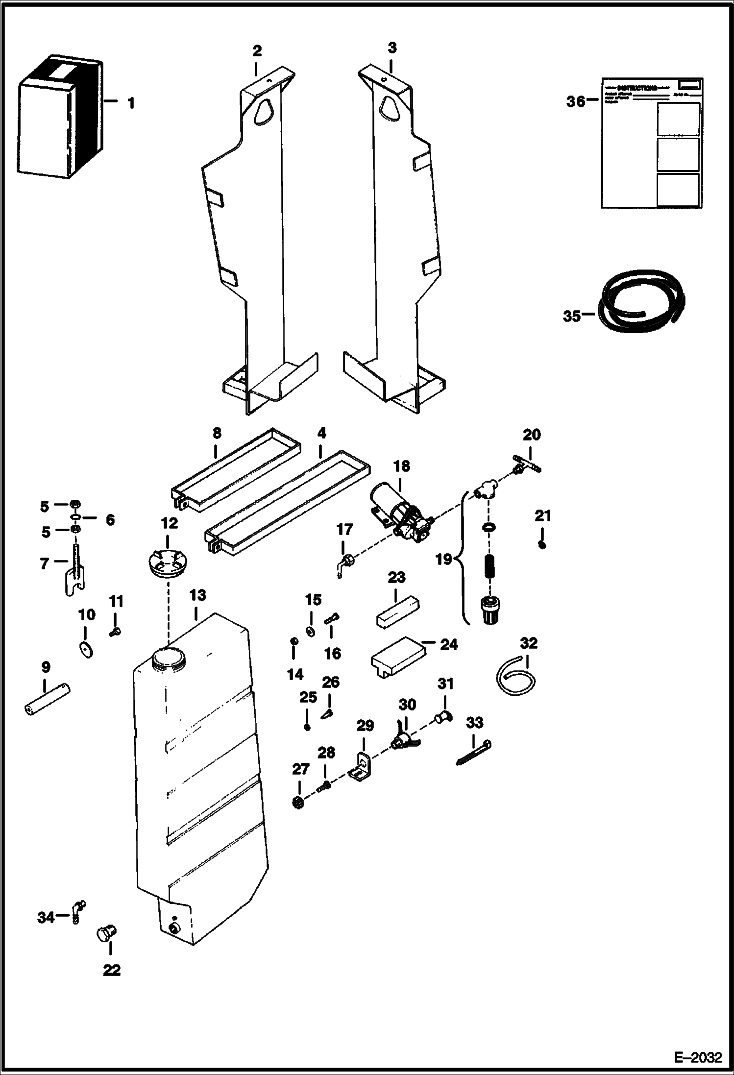
1

KIT NLA - Ref. 2-36 - Order water kits on Ill. MS1026 - Was Sales - A

2

6658155

MOUNT 753

2

MOUNT NLA - Use W/Ref. 4 & 8 - 763, 773 - Was 6659849 - A

2

6658158

TANKMT.LH 800 series

3

6658157

MOUNT 753

3

MOUNT NLA - Use W/Ref. 4 & 8 - 763, 773 - Was 6659850 - A

3

6658156

TANKMT.RH 800 series

4

6659853

BAND

5

63D8

NUT

6

4E8

WASHER

7

6658154

YOKE

8

6659854

BAND

9

6658161

PIN MOUNT

10

6564692

WASHER

11

35C816

BOLT

12

6658146

CAP

13

6658145

TANK, WATER KIT 14 Gallon

14

81D4

NUT Was 64D000004B - B

15

25E13

WASHER 5

16

17C420

BOLT Was 86G000032B - B

17

6655693

ELBOW Was 6655682 - A

18

6666325

PUMP Was 6655733 - A

19

6655686

FILTER

20

6658521

TEE

21

6658150

CLAMP

22

6658147

PLUG

23

6658159

BLOCK Quick-Tach, 741, 742

24

6658160

SPACER 743

25

4E4

WASHER

26

SCREW NLA - Was 18G000816B - A

27

6658152

NUT

28

6658151

ADAPTER

29

6658163

MOUNT

30

6658148

COUPLER

31

6658153

CAP

32

HOSE NLA - 6096 mm (240'') long - Order Ref. 35

33

6624289

STRAP, TIE Was 6648631 - A

34

6655682

ADAPTER

35

6655683

HOSE bulk - sold per foot

36

6720566

INSTRUCTIONS

Выбрано товаров: 40