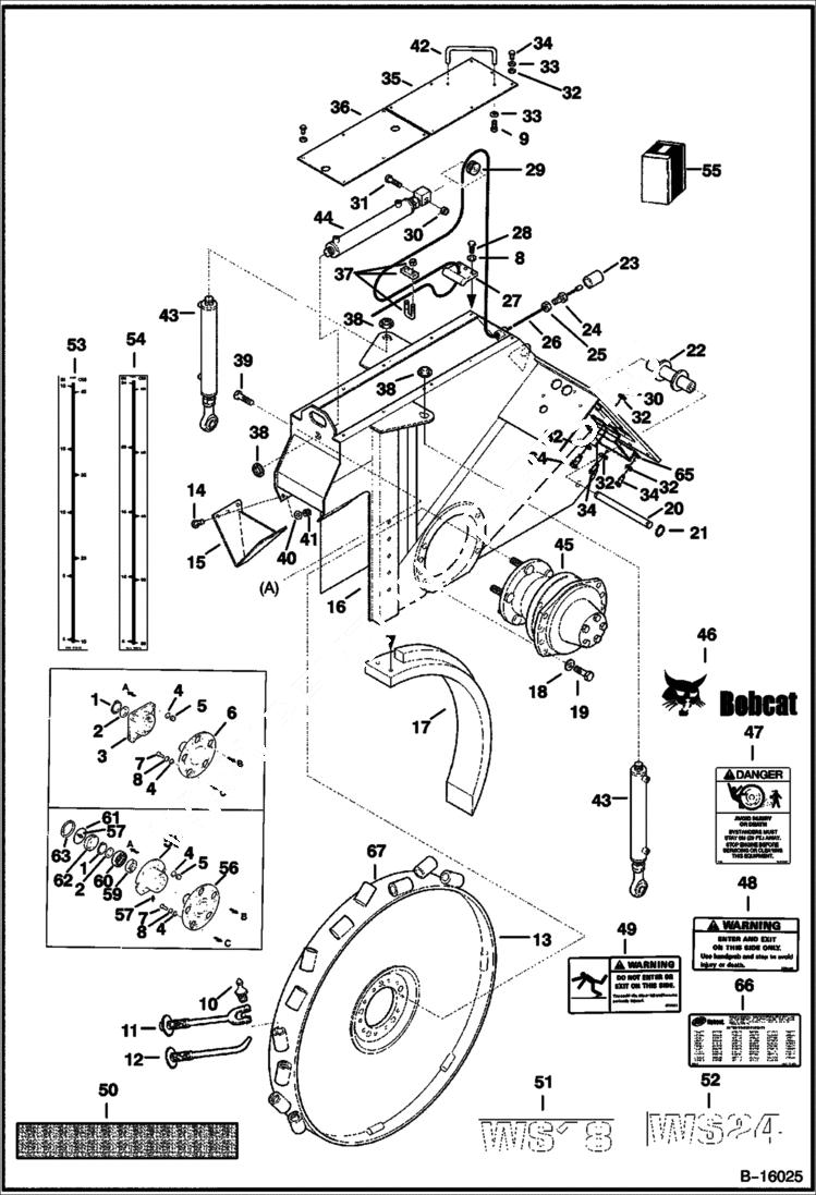
Запчасти Bobcat WHEEL SAWS WHEEL SAW (Main Frame) (WS18 991800101 & Above) (WS24 991900101 & Above) Loader

Схема запчастей Bobcat WHEEL SAWS - WHEEL SAW (Main Frame) (WS18 991800101 & Above) (WS24 991900101 & Above) Loader
FIT
1:1
100%

Артикул

Название

Примечание

Количество

1

6678391

SNAP RING

2

6678392

WASHER

3

BEARING NLA - Order Ref. 1, 2 & 56 - 63 - Was 6678393 - A

4

6676758

WASHER Was 6676788 - B

5

6676763

NUT

6

HUB NLA - Order Ref. 1, 2 & 56 - 63 - Was 6678394 - A

7

6678395

BOLT

8

6676741

WASHER

9

6677233

BOLT

10

6672259

BIT standard all purpose - WS18 - 80 mm (3.12'') wide wheel

10

6672259

BIT standard all purpose - WS18 - 130 mm (5.12'') & 160 mm (6.24'' mm) wide wheel

10

6672259

BIT standard all purpose - WS18 - 180 mm (7.00'') & 200 mm (7.88'') wide wheel

10

6672259

BIT standard all purpose - WS24 - 130 mm (5.12'') wide wheel

10

6672259

BIT standard all purpose - WS24 - 160 mm (6.24''), 180 mm (7.00'') & 200 mm (7.88'') wide wheel

10

7010631

BIT, TOOTH CARBIDE for high impact & abrasive applications - WS18 - 80 mm (3.12'') wide wheel

10

7010631

BIT, TOOTH CARBIDE for high impact & abrasive applications - WS18 - 130 mm (5.12'') & 160 mm (6.24'') wide wheel

10

7010631

BIT, TOOTH CARBIDE for high impact & abrasive applications - WS18 - 180 mm (7.00'') & 200 mm (7.88'') wide wheel

10

7010631

BIT, TOOTH CARBIDE for high impact & abrasive applications - WS24 - 130 mm (5.12'') wide wheel

10

7010631

BIT, TOOTH CARBIDE for high impact & abrasive applications - WS24 - 160 mm (6.24''), 180 mm (7.00'') & 200 mm (7.88'') wide wheel

11

6678073

TOOL

12

6678074

TOOL

13

6729554

WHEEL, 80MM WS18

13

7101796

WHEEL, 80MM WS24

13

6729555

WHEEL, 130MM WS18

13

6698353

WHEEL, 130MM WS24 Was 6729580 - A

13

6729556

WHEEL, 160MM WS18

13

6729581

WHEEL, 160MM WS24

13

6729557

WHEEL, 180MM WS18

13

6729582

WHEEL, 180MM WS24

13

6729558

WHEEL, 200MM WS18

13

6729583

WHEEL, 200MM WS24

13

7209853

WHEEL, 100MM WS24

14

6676760

BOLT

15

6678403

SHIELD WS18

15

6678404

SHIELD WS24

16

6678405

MAIN FRAME WS18

16

6678406

MAIN FRAME WS24

17

6678407

TRENCH CLEANER WS18 - 130 mm (5.12'')

17

6678408

TRENCH CLEANER WS24 - 130 mm (5.12'')

17

6678546

TRENCH CLEANER WS18 - 160 mm (6.24'')

17

6678547

TRENCH CLEANER WS24 - 160 mm (6.24'')

17

6678409

TRENCH CLEANER WS18 - 180 mm (7.00'')

17

6678410

TRENCH CLEANER WS24 - 180 mm (7.00'')

17

6678411

TRENCH CLEANER WS18 - 200 mm (7.88'')

17

6678412

TRENCH CLEANER WS24 - 200 mm (7.88'')

18

6678413

WASHER

19

6678414

BOLT

20

6678415

SHAFT

21

6676810

RING,RETAINING

22

6678416

GUIDE

23

6678417

STOP

24

6678418

BOLT

25

6678419

NUT

26

6678420

ROPE

27

6678421

BRACKET

28

6678422

BOLT

29

6678423

PULLEY

30

6678907

NUT Was 6677242 - B

31

6678908

BOLT Was 6677724 - B

32

6677758

WASHER Was 6678425 - A

33

6676755

WASHER

34

6676781

BOLT

35

6678426

COVER WS18

35

6678427

COVER WS24

36

6678428

COVER WS18

36

6678429

COVER WS24

37

6678430

CLAMP ASSY

38

6676733

NUT

39

6676757

BOLT

40

6678431

WASHER

41

6678432

NUT

42

6678433

HANDLE

43

CYLINDER See Illustration WHEEL SAW/ B16022 DEPTH CONTROL

44

CYLINDER See Illustration WHEEL SAW/ B16023 TRENCH CLEANER

45

MOTOR See Illustration WHEEL SAW/ B16021

46

6729098

DECAL 424 mm (16.7'') x 195 mm (7.7'')

46

6735900

DECAL, LOGO BOBCAT AND HEAD logo - 622 mm (24.5'') x 178 mm (7'')

47

6726471

DECAL danger

48

6594488

DECAL, WARNING enter/exit

49

6701391

DECAL, EXIT

50

6726638

SAFETY TREAD

51

6729101

DECAL model WS18

52

6729102

DECAL model WS24

53

6729103

DECAL depth - WS18

54

6729104

DECAL depth - WS24

55

6729553AR

KIT translation

55

6729553BR

KIT translation

55

6729563AR

KIT decal

55

6729563BR

KIT decal

55

6729563JP

KIT decal

56

6678910

HUB

57

6678911

GREASE,ZERK

58

6678912

HOUSING

59

6678913

SEAL

60

6678914

BEARING

61

6678915

O-RING

62

6678916

RETAINER

63

6678917

SNAP RING

64

6683225

BOLT

65

6683226

COVER

66

DECAL NLA - patent - Was 6557224 - C

67

6685690

HOLDER, TOOTH Use on 130 mm thru 200 mm wheel

67

6685551

HOLDER, TOOTH Use on 80 mm wheel

Выбрано товаров: 103