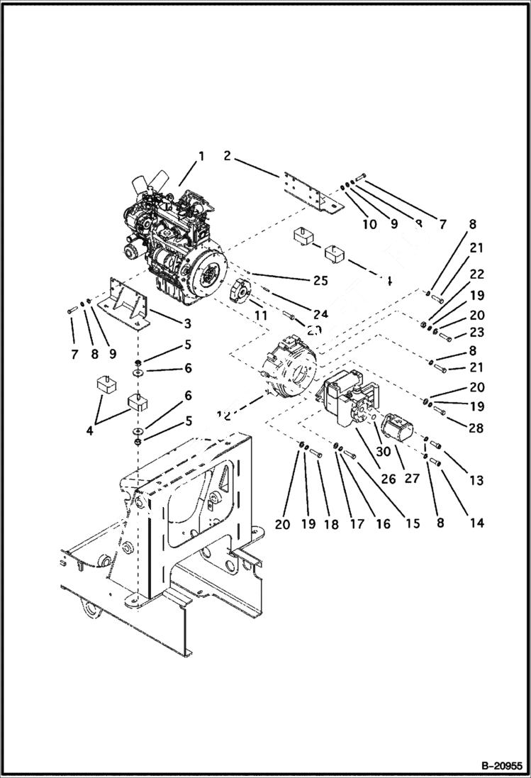
Запчасти Bobcat B100 ENGINE AND ATTACHING PARTS 5700 11001 & Above POWER UNIT

Схема запчастей Bobcat B100 - ENGINE AND ATTACHING PARTS 5700 11001 & Above POWER UNIT
FIT
1:1
100%

Артикул

Название

Примечание

Количество

1

6960208

ENGINE

1

6960208REM

KUBOTA D1105-B100-B250

2

6960209

HOLDER R engine - R.H.

3

6960210

HOLDER L engine - L.H.

4

6960211

BLOCK rubber

5

16DM12

NUT

6

6964597

WASHER

7

5CM1025

BOLT

8

8EM100

WASHER

9

6964570

WASHER

10

6964620

WASHER

11

6960212

COUPLING EAK 4921 - 13 teeth

12

6960213

FLANGE EAK 4984 - bell housing

13

1GM1030

BOLT

14

1GM1035

BOLT

15

1CM1440

BOLT

16

8EM140

WASHER

17

6962810

WASHER

18

1CM860

BOLT

19

8EM80

WASHER

20

6964587

WASHER

21

6962721

BOLT

22

1DM8

NUT

23

1CM870

BOLT

24

6964670

PIN

25

6964669

PIN D

26

6960215

PUMP axial

27

6962719

PUMP gear

28

4CM865

BOLT

29

6964567

BOLT

30

25K20128

O RING 10

Выбрано товаров: 31