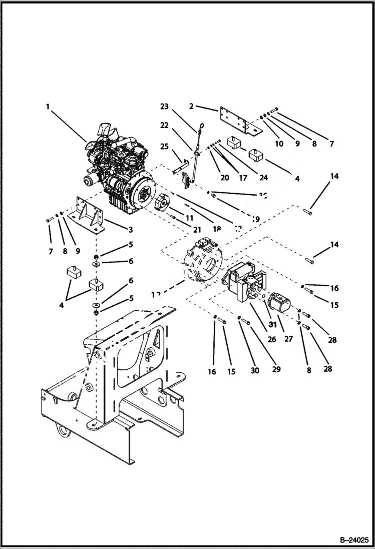
Запчасти Bobcat B100 ENGINE AND ATTACHING PARTS 5701 11001 & Above POWER UNIT

Схема запчастей Bobcat B100 - ENGINE AND ATTACHING PARTS 5701 11001 & Above POWER UNIT
FIT
1:1
100%

Артикул

Название

Примечание

Количество

1

ENGINE NLA - Order 6974026 engine or 6964719REM engine - Was 6964719 - A

1

6974026

ENGINE D1105-T-E2B-BOBCZ-1

1

6974026REM

KUBOTA D1105-T-E2B-BOBCZ-1

1

6964719REM

KUBOTA D1105-T TIER 1

2

6960209

HOLDER R

3

6960210

HOLDER L

4

6960211

BLOCK

5

16DM12

NUT

6

6964597

WASHER

7

5CM1025

BOLT

8

8EM100

WASHER

9

6968475

WASHER

10

6964621

WASHER

11

6964721

CLUTCH

12

6960213

FLANGE

13

6964669

PIN D

14

6962721

BOLT

15

1CM860

BOLT

16

8EM80

WASHER

17

6962786

WASHER

18

6964670

PIN

19

1CM816

BOLT Was 4CM816 - A

20

16DM8

NUT

21

6964723

BOLT

22

6964724

HOLDER

23

6964726

GAUGE

24

1CM820

BOLT

25

6964727

HOLDER

26

6960215

PUMP Axial

27

6962719

PUMP Gear

28

1GM1030

BOLT

29

1CM1440

BOLT

30

6962810

WASHER

31

25K20128

O RING 10

Выбрано товаров: 34