Запчасти Bobcat B100 ENGINE COOLING 5701 11001 & Above POWER UNIT

Схема запчастей Bobcat B100 - ENGINE COOLING 5701 11001 & Above POWER UNIT
FIT
1:1
100%

Артикул

Название

Примечание

Количество

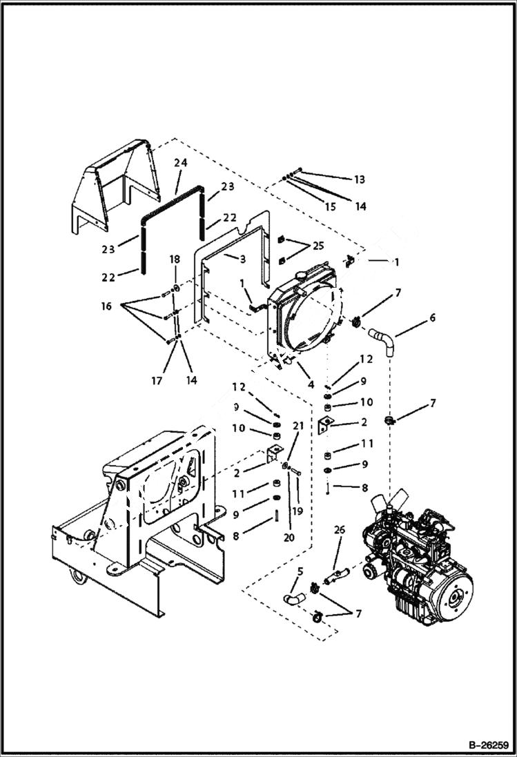
1

6960243

HOLDER

2

6960244

HOLDER

3

6961079

SHIELD

4

6960246

COOLER

5

6962723

HOSE

6

6964717

HOSE

7

6960989

CLIP HOSE

8

6960250

BOLT

9

6960251

WASHER

10

6960252

BLOCK

11

6960253

BLOCK

12

6960254

PIN LOCK

13

1CM620

BOLT Was 4CM620 - A

14

6964585

WASHER

15

16DM6

NUT

16

1CM612

BOLT Was 4CM612 - A

17

8EM60

WASHER

18

6964636

WASHER

19

1CM820

BOLT

20

8EM80

WASHER

21

6964631

WASHER

22

6961076

SEAL

23

6961077

SEAL

24

6961078

SEAL

25

6960988

HOOK

Выбрано товаров: 25