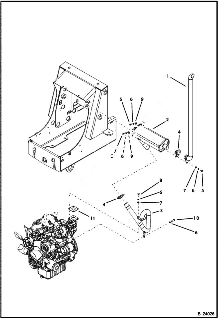
Запчасти Bobcat B100 ENGINE EXHAUST W/Turbo Charger 5701 11001 & Above POWER UNIT

Схема запчастей Bobcat B100 - ENGINE EXHAUST W/Turbo Charger 5701 11001 & Above POWER UNIT
FIT
1:1
100%

Артикул

Название

Примечание

Количество

1

6960255

PIPE exhaust

2

6961081

PIPE

3

6961012

PIPE exhaust

4

6960258

CLIP exhaust pipe

5

1CM816

BOLT

6

8EM80

WASHER

7

6964587

WASHER

8

1CM825

BOLT Was 4CM825 - A

9

6964631

WASHER

10

4CM865

BOLT

11

6960259

GASKET Was 6964718 - A

Выбрано товаров: 11