Запчасти Bobcat B100 FUEL SYSTEM W/O Turbo Charger 5700 11001 & Above POWER UNIT

Схема запчастей Bobcat B100 - FUEL SYSTEM W/O Turbo Charger 5700 11001 & Above POWER UNIT
FIT
1:1
100%

Артикул

Название

Примечание

Количество

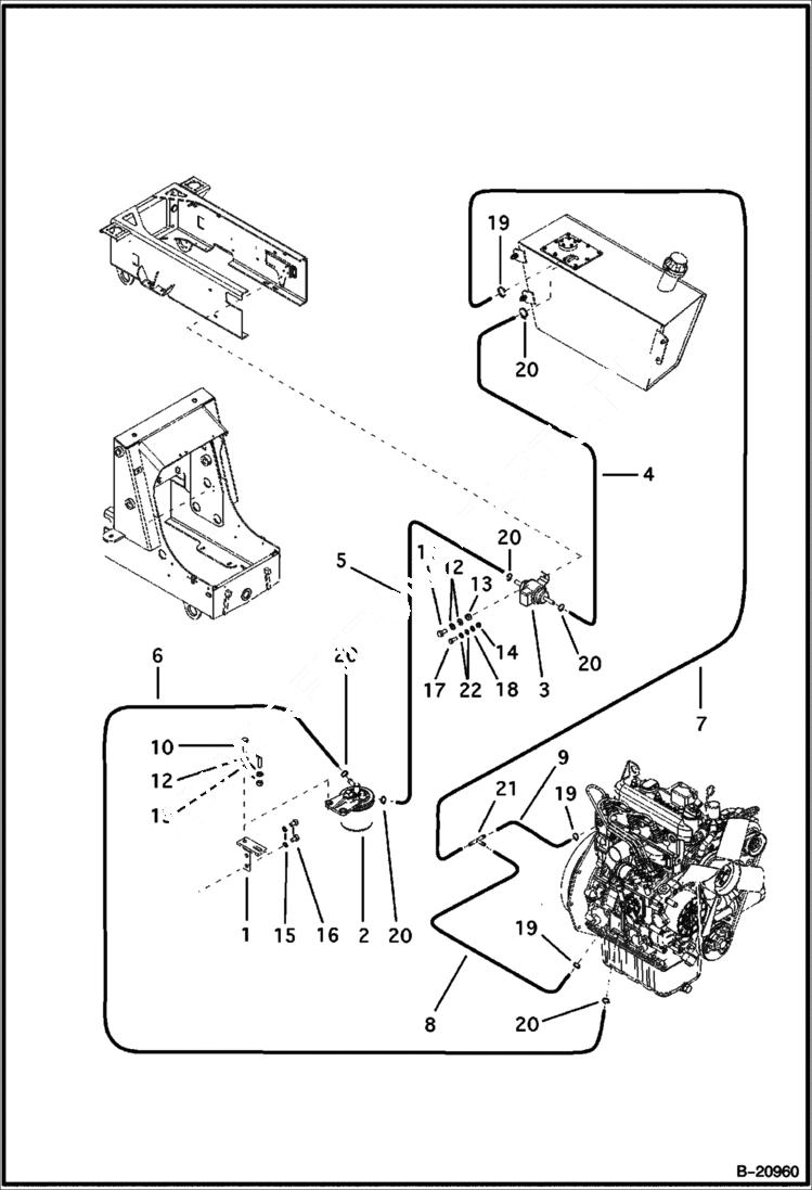
1

6960812

HOLDER fuel filter

2

6960823

FILTER fuel

3

6960822

PUMP fuel

4

6960813

HOSE

5

6960816

HOSE

6

6960818

HOSE

7

6960817

HOSE

8

6960814

HOSE

9

6960815

HOSE

10

1CM830

BOLT

11

1CM820

BOLT

12

6964587

WASHER

13

16DM8

NUT

14

16DM6

NUT

15

8EM80

WASHER

16

1CM812

BOLT

17

1CM620

BOLT Was 4CM620 - A

18

6964623

WASHER

19

6960820

CLIP

20

6960819

CLIP

21

6960821

TEE

22

6962789

WASHER

Выбрано товаров: 22