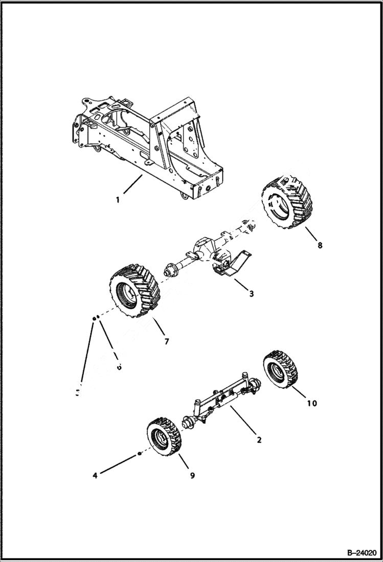
Запчасти Bobcat B100 FRAMES/WHEELS Axles AXLES

Схема запчастей Bobcat B100 - FRAMES/WHEELS Axles AXLES
FIT
1:1
100%

Артикул

Название

Примечание

Количество

1

6966958

FRAME W/A

2

AXLE NLA - front assy

3

AXLE NLA - rear assy

4

6964661

NUT

5

6960968

NUT

6

6960969

WASHER

7

WHEEL NLA - assy

8

WHEEL NLA - assy

9

WHEEL NLA - assy

10

WHEEL NLA - assy

Выбрано товаров: 10