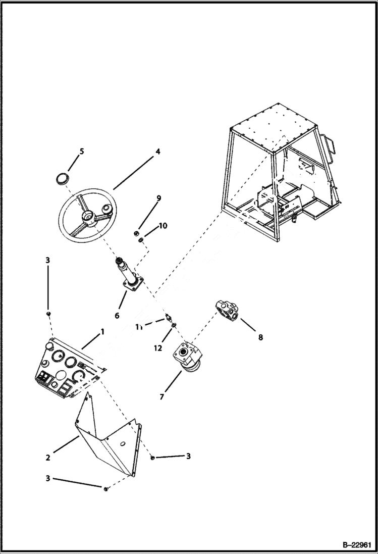
Запчасти Bobcat B100 CONTROLS Steering CONTROLS

Схема запчастей Bobcat B100 - CONTROLS Steering CONTROLS
FIT
1:1
100%

Артикул

Название

Примечание

Количество

1

6967325

DASHBOARD

2

6960687

COVER

3

6960688

BOLT

4

6960690

WHEEL

5

6967877

COVER

6

6962344

STEERING

7

6961784

STEERING UNIT

8

6968076

VALVE

9

16DM10

NUT

10

6962913

WASHER

11

6960700

BOLT

12

6EM10

WASHER

Выбрано товаров: 12