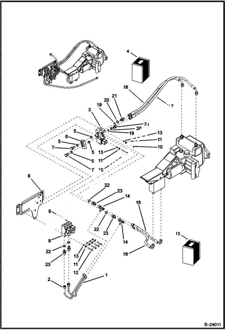
Запчасти Bobcat B100 HYDRAULIC CIRCUITRY Blocking Travel HYDRAULIC SYSTEM

Схема запчастей Bobcat B100 - HYDRAULIC CIRCUITRY Blocking Travel HYDRAULIC SYSTEM
FIT
1:1
100%

Артикул

Название

Примечание

Количество

1

6966037

BUGLE

2

6966036

BUGLE

3

6962712

VALVE

3

6969876

COIL

4

6966072

FITTING Ref. 19-21

5

6961512

Ring

6

6962714

BLOCK

7

6962715

BOLT

8

6962716

HOLDER

9

6962717

SWITCH

10

1GM550

BOLT

11

6964598

WASHER

12

1CM540

BOLT

13

16DM5

NUT

14

6966149

T-FITTING

15

6966150

FITTING Ref. 22,23

16

6965900

HOSE

17

6965901

HOSE

18

6965903

HOSE

19

O-RING NSS

20

WASHER NSS

21

FITTING NSS

22

SEAL NSS

23

FITTING NSS

Выбрано товаров: 24