Качественные детали и логистика
Оригинальные и аналоговые запчасти с доставкой по России, Казахстану и Беларуси
©2022 PartSell ООО "Система" ИНН 2463123282 ОГРН 1212400004838
Центральный офис: г. Красноярск, Академика Киренского, д.87, пом.4
Телефон: 8 (800) 777-65-74 Email: zakaz@partsell.ru
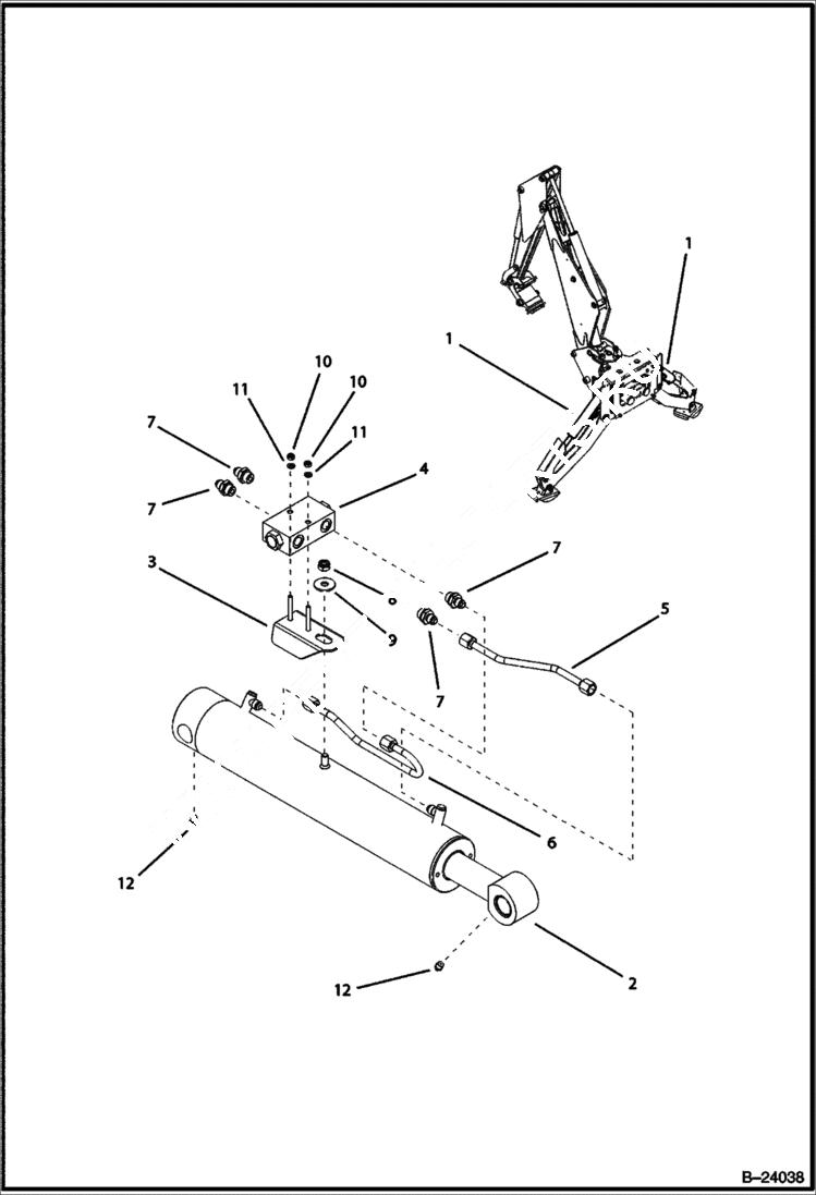
STABILIZER CYLINDER Center Mount Backhoe
№
Артикул
Название
Примечание
Количество
1
6817191
CYLINDER Ref. 2-12 - Was 6967101 - A
2
CYLINDER
3
6967102
HOLDER
4
6966214
LOCK
5
6967106
PIPE
6
6967104
7
6966070
FITTING
8
16DM10
NUT
9
6964596
WASHER
10
16DM6
11
6962789
12
10H25
FITTING, GREASE 5
Выбрано товаров: 0