Качественные детали и логистика
Оригинальные и аналоговые запчасти с доставкой по России, Казахстану и Беларуси
©2022 PartSell ООО "Система" ИНН 2463123282 ОГРН 1212400004838
Центральный офис: г. Красноярск, Академика Киренского, д.87, пом.4
Телефон: 8 (800) 777-65-74 Email: zakaz@partsell.ru
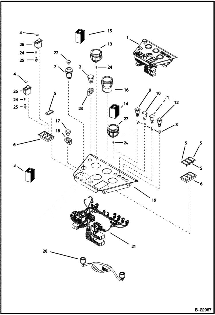
DASH BOARD
№
Артикул
Название
Примечание
Количество
1
6967325
DASHBOARD w/Ref. 2-23
2
6961354
SWITCH
3
6960567
KIT w/Ref. 24,25,26
4
6961366
SYMBOL
5
6961367
COVER
6
6961368
FRAME
7
6961369
8
6961370
BULB
9
6961371
LIGHT
10
6961372
11
6961373
12
6961374
13
GAUGE NSS
14
6966724
THERMOMETER w/Ref. 24,27
15
6966725
GAUGE Fuel - W/Ref. 13 & 24 - Face OD 2.23'' W/5 Terminals
16
6966726
HOURCOUNTER
17
6961356
18
6961353
19
6967326
DASHBOARD
20
6961380
HARNESS
21
6968190
22
6961382
COVER green
23
6961355
24
6960577
25
SWITCH NSS
26
27
Выбрано товаров: 0