Качественные детали и логистика
Оригинальные и аналоговые запчасти с доставкой по России, Казахстану и Беларуси
©2022 PartSell ООО "Система" ИНН 2463123282 ОГРН 1212400004838
Центральный офис: г. Красноярск, Академика Киренского, д.87, пом.4
Телефон: 8 (800) 777-65-74 Email: zakaz@partsell.ru
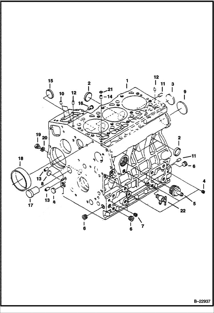
CRANKCASE
№
Артикул
Название
Примечание
Количество
1
6680601
BLOCK CYLINDER W/Ref. 2 - 20
2
6657431
CAP sealing
3
3974433
PLUG sealing
4
6598116
PLUG
5
6680631
6
6657600
7
6652574
8
6667418
PLUG expansion
9
6657663
10
6657423
PIN Was 6680258 - A
11
6680259
PIN
12
6680260
13
3974039
14
6657548
15
6657601
16
6672355
17
6657675
18
6657647
BUSHING
19
6655884
20
3974095
MET-GASK
21
3974038
O RING
22
6657456
DRAINCOCK
Выбрано товаров: 0