Запчасти Bobcat B100 FUEL SYSTEM (Engine) POWER UNIT

Схема запчастей Bobcat B100 - FUEL SYSTEM (Engine) POWER UNIT
FIT
1:1
100%

Артикул

Название

Примечание

Количество

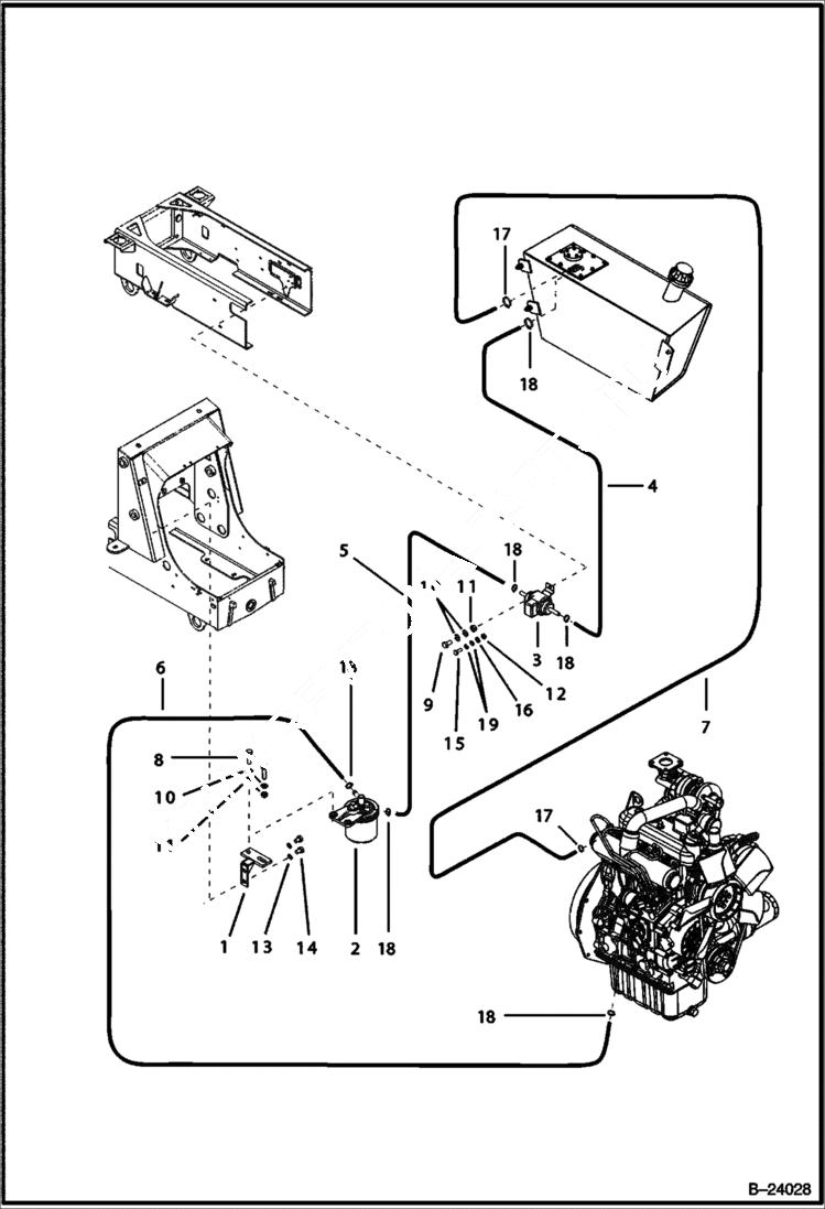
1

6960812

HOLDER

2

6964716

FILTER

3

6960822

PUMP

4

6960813

HOSE

5

6960816

HOSE

6

6960818

HOSE

7

6960817

HOSE

8

1CM830

BOLT

9

1CM820

BOLT

10

6964587

WASHER

11

16DM8

NUT

12

16DM6

NUT

13

8EM80

WASHER

14

1CM812

BOLT

15

1CM620

BOLT Was 4CM620 - A

16

6964623

WASHER

17

6960820

CLIP

18

6960819

CLIP

19

6962789

WASHER

Выбрано товаров: 19