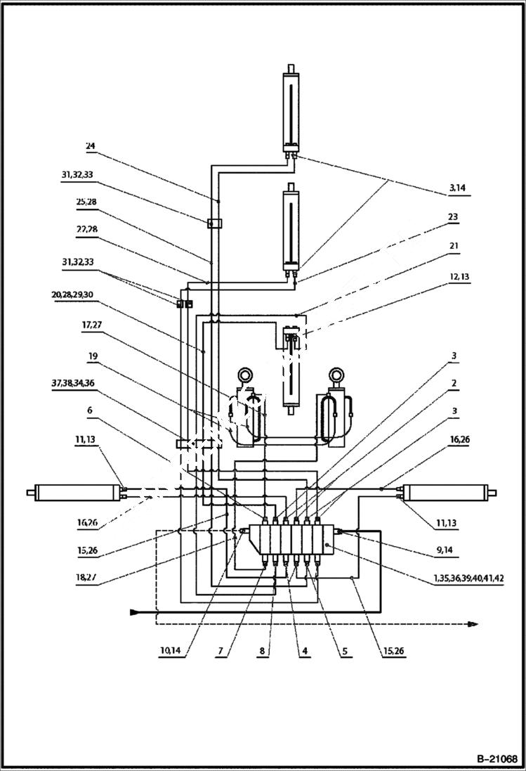
Запчасти Bobcat B200 HYDAULIC CIRCUITRY B200 HYDRAULIC SYSTEM

Схема запчастей Bobcat B200 - HYDAULIC CIRCUITRY B200 HYDRAULIC SYSTEM
FIT
1:1
100%

Артикул

Название

Примечание

Количество

1

6962694

VALVE W/Ref. 42

2

6960720

FITTING M16x1.5mm

3

6960733

FITTING M18x1.5mm

4

6960735

FITTING M16x1.5mm

5

6960732

FITTING M18x1.5mm

6

6960737

FITTING M16x1.5mm s 2.5mm

7

6960736

FITTING M16x1.5mm s 2.5mm

8

6961013

FITTING M18x1.5mm s 3.7mm

9

6960702

FITTING M22x1.5mm

10

6960654

FITTING M26x1.5mm

11

6960704

FITTING M16x1.5mm

12

6960703

FITTING M18x1.5mm

13

6962101

SEAL

14

6962096

RING

15

6961341

HOSE

16

6961342

HOSE

17

6961343

HOSE

18

6961344

HOSE

19

6961345

HOSE

20

6961346

HOSE

21

6961347

HOSE

22

6961348

HOSE

23

6961349

HOSE

24

6961350

HOSE

25

6961351

HOSE

26

6961027

COVER

27

6961028

COVER

28

6961029

COVER

29

6961186

COVER

30

6960205

CLIP

31

6960756

HOLDER

32

6960755

PLATE

33

1CM835

BOLT

34

1CM880

BOLT

35

6962819

WASHER

36

16DM8

NUT

37

6961015

HOLDER hose

38

6961014

COVER

39

6960754

KNOB

40

6960738

CONTROL VALVE

41

1CM830

BOLT

42

LEVER NLA

Выбрано товаров: 42