Качественные детали и логистика
Оригинальные и аналоговые запчасти с доставкой по России, Казахстану и Беларуси
©2022 PartSell ООО "Система" ИНН 2463123282 ОГРН 1212400004838
Центральный офис: г. Красноярск, Академика Киренского, д.87, пом.4
Телефон: 8 (800) 777-65-74 Email: zakaz@partsell.ru
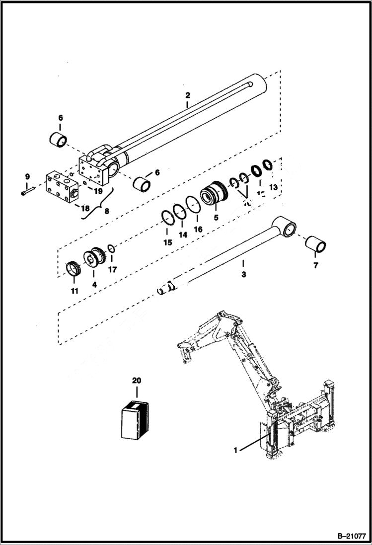
VERTICAL STABILIZER CYLINDER B250 Side Shift Backhoe
№
Артикул
Название
Примечание
Количество
1
6960912
CYLINDER
2
6960934
HOUSING
3
6960933
ROD
4
6814835
PISTON Was 6960286 - A
5
6960932
HEAD
6
6960930
BUSHING
7
6960931
8
6960305
HYDRAULIC LOCK W/Ref. 18 & 19
9
1GM640
BOLT
10
6960280
SEAL
11
6960290
SEALING
12
6960277
13
6960279
WIPER
14
6960296
BACK UP RING
15
6960291
O-RING
16
6960297
17
6960292
18
LOCK BODY NSS - hydraulic -W/Ref. 8
19
6960308
20
6962313
SEAL KIT PR55/PR36 W/Ref. 10-17
Выбрано товаров: 0