Запчасти Bobcat B200 HYDRAULIC CIRCUITRY (Stabilizers Left/ Right Section) (Center Mount) HYDRAULIC SYSTEM

Схема запчастей Bobcat B200 - HYDRAULIC CIRCUITRY (Stabilizers Left/ Right Section) (Center Mount) HYDRAULIC SYSTEM
FIT
1:1
100%

Артикул

Название

Примечание

Количество

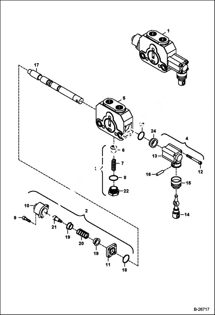
1

6683268

SECTION W/Ref 2-5

2

6683281

CAP

3

6682357

VALVE KIT

4

6683282

COMPONENT

5

SPOOL NSS - Order Ref. 1

5

BODY NLA

6

POPPET NSS

7

SPRING NSS

8

O-RING NSS

9

BOLT NSS

10

COVER NSS

11

SEAL NSS

12

BOLT NSS

13

COVER NSS

14

ACTUATOR NSS

15

BOOT NSS

16

PIN NSS

17

SPOOL NSS

18

O-RING NSS

19

RETAINING RING NSS

20

SPRING NSS

21

BOLT NSS

22

PLUG NSS

23

O-RING NSS

24

RETAINER NSS

Выбрано товаров: 25