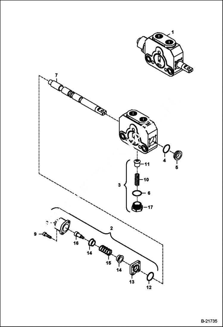
Запчасти Bobcat B200 SIDESHIFT BACKHOE VALVE (Bucket Section) HYDRAULIC SYSTEM

Схема запчастей Bobcat B200 - SIDESHIFT BACKHOE VALVE (Bucket Section) HYDRAULIC SYSTEM
FIT
1:1
100%

Артикул

Название

Примечание

Количество

1

6683267

VALVE Was 6682349 - A

2

6683281

CAP Was 6682358 - A

3

6682357

VALVE KIT

4

O-RING NSS

5

RETAINER NSS

6

O-RING NSS

7

SPOOL NSS - Order Ref. 1

8

COVER NSS

9

BOLT NSS

10

SPRING NSS

11

POPPET NSS

12

O-RING NSS

13

SEAL NSS

14

RETAINER NSS

15

SPRING NSS

16

BOLT NSS

17

PLUG NSS

Выбрано товаров: 17