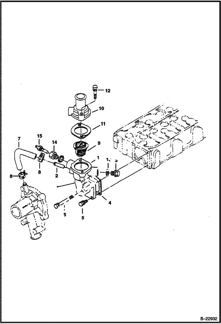
Запчасти Bobcat B200 WATER FLANGE & THERMOSTAT POWER UNIT

Схема запчастей Bobcat B200 - WATER FLANGE & THERMOSTAT POWER UNIT
FIT
1:1
100%

Артикул

Название

Примечание

Количество

1

6680508

FLANGE W/Ref 2

2

6670785

PIPE

3

6684857

PLUG Was 6670504 - A

4

6657583

GASKET Was 6672444 - A

5

1CM616

SCREW Was 4CM616 - A

6

6657413

BOLT

7

6657584

PIPE

8

6680580

CLAMP Was 6652748 - A

9

6680511

THERMOSTAT

9

6680512

THERMOSTAT

10

6672479

COVER

11

6732199

GASKET

12

1CM835

BOLT

13

6680509

GASKET

14

6680510

ADAPTER

15

3974263

SWITCH,OIL

Выбрано товаров: 16