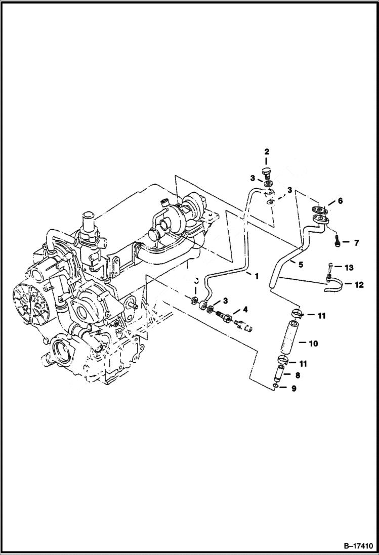
Запчасти Bobcat B200 OIL PIPE Turbo Charger POWER UNIT

Схема запчастей Bobcat B200 - OIL PIPE Turbo Charger POWER UNIT
FIT
1:1
100%

Артикул

Название

Примечание

Количество

1

6680565

PIPE

2

6675625

BOLT, EYE JOINT Was 6680566 - A

3

7000642

WASHER, SEALING COPPER consists of 2 gaskets attached by a tab - Was 6685962 - B

4

6680568

BOLT

5

6680569

PIPE

6

6680570

GASKET

7

1CM620

BOLT Was 4CM620 - A

8

6680571

ASSY, OIL PIPE

9

6673314

O-RING

10

6680572

PIPE

11

6675618

CLAMP

12

6680573

CLAMP

12

6680574

CLAMP

12

6680575

CLAMP

13

6680576

PIN

Выбрано товаров: 15