Запчасти Bobcat B200 REAR AXLE B200 AXLES & WHEELS

Схема запчастей Bobcat B200 - REAR AXLE B200 AXLES & WHEELS
FIT
1:1
100%

Артикул

Название

Примечание

Количество

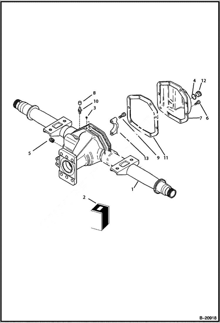
1

HOUSING NLA - W/Ref. 9

2

6960488

PLUG KIT W/Ref. 4

3

6960473

PLUG

4

6960471

O-RING

5

6960491

PLUG

6

6960449

SCREW

7

6960503

DIFF. SUPPORT COVER

8

6960389

PLUG

9

6960496

BOLT M12X70

10

100505-24H

BREATHER Was 6969948 - A

11

6960508

GASKET

12

HOLDER NLA - W/Ref. 4

13

PLUG NLA - W/Ref. 9

Выбрано товаров: 13