Качественные детали и логистика
Оригинальные и аналоговые запчасти с доставкой по России, Казахстану и Беларуси
©2022 PartSell ООО "Система" ИНН 2463123282 ОГРН 1212400004838
Центральный офис: г. Красноярск, Академика Киренского, д.87, пом.4
Телефон: 8 (800) 777-65-74 Email: zakaz@partsell.ru
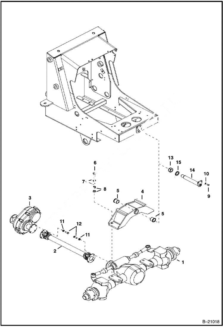
AXLES
№
Артикул
Название
Примечание
Количество
1
6960978
AXLE See Illustration FRONT AXLE/ B21030 front
2
6960980
SHAFT
3
6960977
GEAR CASE
4
6960974
BRACKET front axle
5
6960970
BUSHING axle
6
5CM1660
BOLT
7
6964574
WASHER
8
1DM16
NUT
9
1CM1020
10
8EM100
11
17DM12
12
5CM1235
13
16DM30
14
6960971
PIN assy.
15
6960972
RING front axle
Выбрано товаров: 0