Качественные детали и логистика
Оригинальные и аналоговые запчасти с доставкой по России, Казахстану и Беларуси
©2022 PartSell ООО "Система" ИНН 2463123282 ОГРН 1212400004838
Центральный офис: г. Красноярск, Академика Киренского, д.87, пом.4
Телефон: 8 (800) 777-65-74 Email: zakaz@partsell.ru
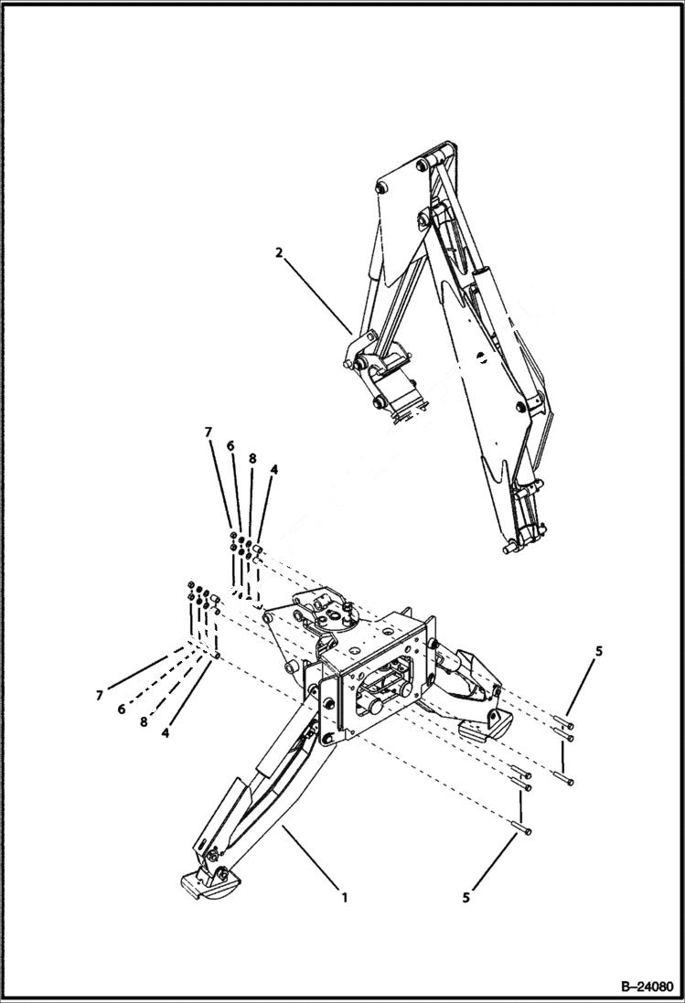
CENTER MOUNT BACKHOE
№
Артикул
Название
Примечание
Количество
1
TRUNION NLA - assy
2
BACKHOE NLA - assy
3
6964576
WASHER
4
6966218
RING
5
2CM20120
SCREW
6
6964563
NUT
7
2DM20
Выбрано товаров: 0